ABLIC S-19560B Power Management IC (PMIC)
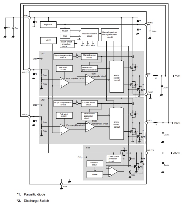
ABLIC S-19560B Power Management IC (PMIC) is designed for automotive devices and is composed of a 2-channel step-down switching regulator and a 1-channel voltage regulator. The step-down switching regulator operates via PWM control, thereby achieving both high efficiency and low ripple voltage. This automotive-grade PMIC has a maximum operating voltage of 16V and maintains an accuracy of ±2% for each output voltage. Each output has a built-in overcurrent protection circuit to protect the IC and coil from excessive load current and a built-in thermal shutdown circuit to prevent damage from heat generation. The S-19560B PMIC features a built-in spread spectrum clock generation circuit capable of reducing conductive noise and emission noise. This PMIC features a 2.2MHz typical oscillation frequency, 3.35V typical Under Voltage Lockout (UVLO) function, and comes in a 3mm x 2mm x 10.5mm HSNT-8(2030) package. Typical applications include automotive camera modules, engines, transmissions, suspensions, ABS, and related devices for EV/HEV/PHEV.
Features
- 4V to 16V input voltage range
- ±2% (Tj = -40°C to 150°C) output voltage accuracy
- Step-down DC-DC converter block (Ch1, Ch2):
- Output voltage:
- 3.3V to 5V (Ch1)
- 0.9V to 3V (Ch2)
- Output current:
- 600mA (Ch1)
- 700mA (Ch2)
- 2.2MHz typical oscillation frequency
- +6% typical FSSS (diffusion rate) spread spectrum clock generation function
- 1.2A typical (pulse-by-pulse method) overcurrent protection function
- Hiccup control short-circuit protection function
- Shifts the oscillation phase of Ch1 and Ch2 by 180° with the phase shift function
- Output voltage:
- -40°C to 125°C operating temperature range
- 3.35V typical (detection voltage) Under Voltage Lockout (UVLO) function
- 170°C typical thermal shutdown function
- Lead-free (Sn 100%) and halogen-free
- AEC-Q100 in process
- LDO regulator block (Ch3):
- 0.9V to 3.3V output voltage
- 300mA output current
- 50dB typical ripple rejection
Applications
- Camera module for automotive
- For automotive use (engine, transmission, suspension, ABS, related devices for EV / HEV / PHEV)
Block Diagram
Application Circuit Diagram
