ABLIC S-821A & S-821B Battery Protection ICs
ABLIC S-821A and S-821B Battery Protection ICs include a high-accuracy voltage detection circuit, delay circuit, and triple boost charge pump to drive an external charge/discharge FET. These high-side protection ICs use an external overcurrent detection resistor to realize high-accuracy overcurrent protection with less effect from temperature change. The S-821A and S-821B ICs feature a ±15mV overcharge detection voltage accuracy, discharge overcurrent control function, and 50nA low current consumption (at Ta=25°C and during power-down). These ICs protect Lithium-ion rechargeable battery packs and Lithium polymer rechargeable battery packs.Features
- Power-saving function which can disable discharge from the battery while reducing the protection IC current consumption to a maximum of 50nA to minimize current consumed by the battery to as close to 0 as possible
- Overheat detection function:
- Available and unavailable
- Discharge overcurrent control function:
- Release condition of discharge overcurrent status:
- Load disconnection and charger connection
- 0V battery charge:
- Enabled and inhibited
- Power-down function:
- Available and unavailable
- Power-saving function:
- Available and unavailable
- Triple boost (regulation voltage = VDD + 4.2V) internal charge pump
- Detection delay times are generated only by an internal circuit (external capacitors are unnecessary)1MΩ to 10MΩ (1MΩ step) PS pin internal resistance value
- Active "H" active "L" PS pin control logic
- -40°C to 85°C wide operation temperature range
- ±15mV overcharge detection voltage accuracy
- Low current consumption:
- 6µA typical and 10µA maximum (Ta = 25°C) during operation
- 50nA maximum (Ta = 25°C) during power-down
- 1µA maximum (Ta = 25°C) during over-discharge
- 50nA maximum (Ta = 25°C) during power-saving
Applications
- Lithium-ion rechargeable battery packs
- Lithium polymer rechargeable battery packs
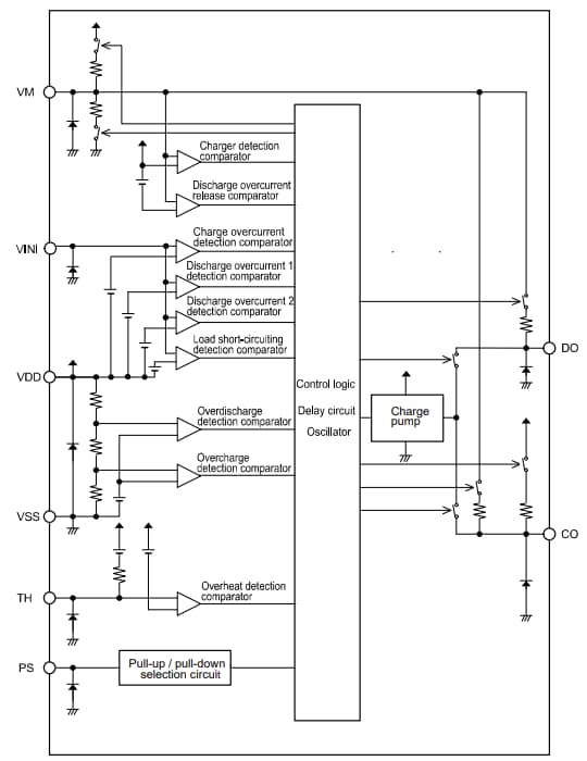
Block Diagram
S-821A Connection Example
Overview
Veröffentlichungsdatum: 2024-12-03
| Aktualisiert: 2024-12-10
