ABLIC S-82L4A Battery Protection ICs

ABLIC S-82L4A Battery Protection ICs are designed for 3-serial or 4-serial secondary protection of lithium-ion rechargeable batteries. These ICs incorporate high-accuracy voltage detection circuits and delay circuits for the real-time clock and CTL pin. The S-82L4A ICs feature a 2mA maximum VRTC pin output current, low current consumption, and a 1.5V to 3.3V (100mV step) VRTC pin output voltage range. These ICs include delay times generated only by an internal circuit with 1s, 2s, 4s, and 6s VRTC pin shutdown delay times. The S-82L4A battery protection ICs are lead-free and halogen-free.

Features

  • High-accuracy voltage detection circuit for each cell:
    • Overcharge detection voltage:
      • 3.600V to 5V (5mV steps)
      • ±15mV (Ta = +25°C) accuracy
      • ±20mV (Ta = -10°C to +60°C) accuracy
    • Overcharge release voltage:
      • 3.600V to 5V
      • ±50mV accuracy
    • VRTC pin shutdown voltage:
      • 2.500V to 2.800V (100mV step)
      • ±50mV accuracy
  • Delay times are generated only by an internal circuit (external capacitors are unnecessary) (1s, 2s, 4s, and 6s overcharge detection delay time, VRTC pin shutdown delay time)
  • 2mA maximum VRTC pin output current
  • 1.500V to 3.300V (100mV step) VRTC pin output voltage with ±2% (Ta = +25°C) accuracy
  • CO pin output voltage is limited to 7.5V maximum
  • Output control function via CTL pin (CTL pin is pulled down internally)
  • Overcharge timer reset function (available and unavailable)
  • -40°C to +85°C wide operating temperature range
  • Lead-free (Sn 100%) and halogen-free

Product Overview

ABLIC S-82L4A Battery Protection ICs

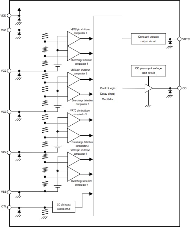
Block Diagram

Block Diagram - ABLIC S-82L4A Battery Protection ICs

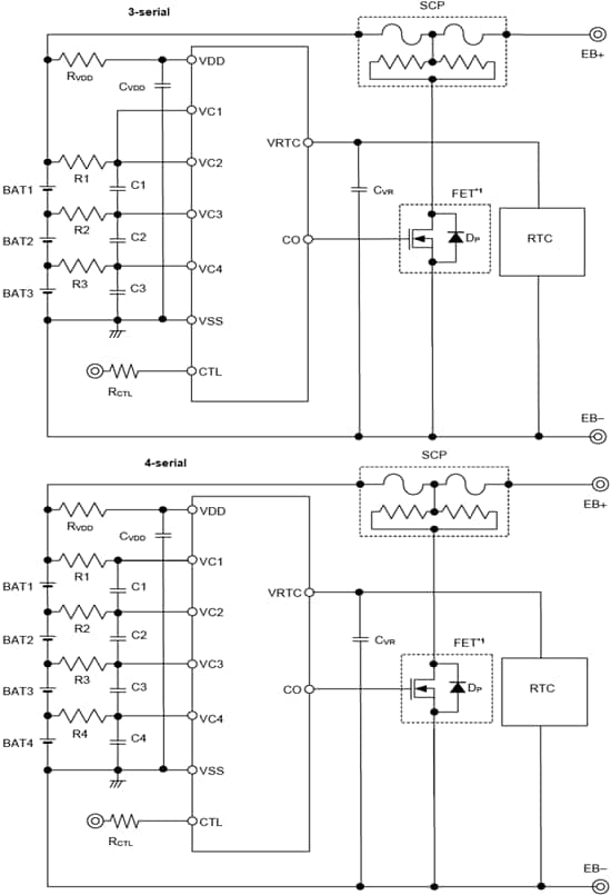
Battery Protection IC Connection Examples

ABLIC S-82L4A Battery Protection ICs

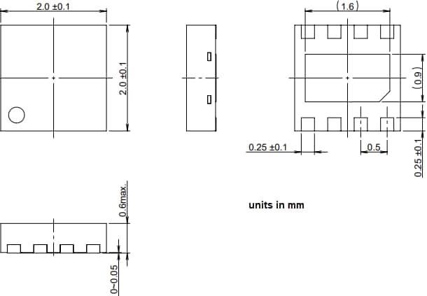
Dimension Diagram

Mechanical Drawing - ABLIC S-82L4A Battery Protection ICs
Veröffentlichungsdatum: 2025-06-05 | Aktualisiert: 2025-06-12