ABLIC S-UM65x High-Voltage Analog Switches
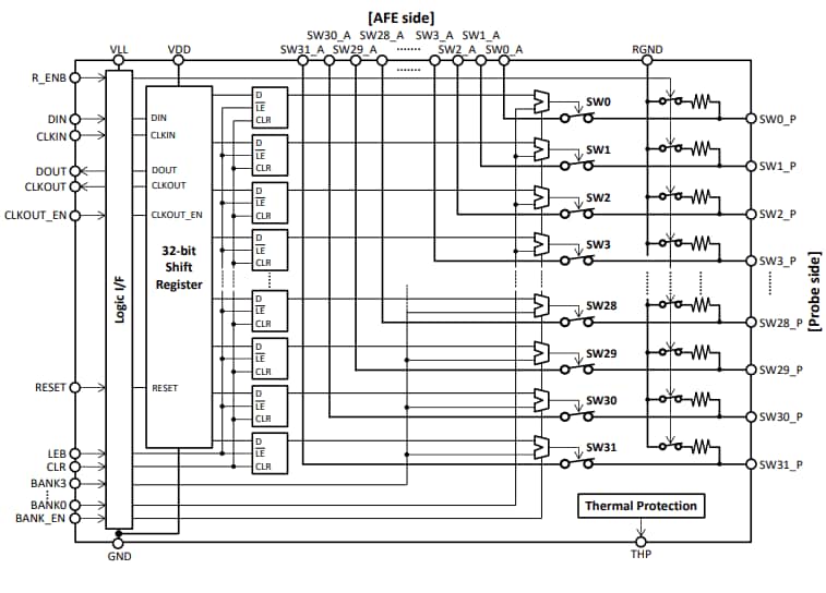
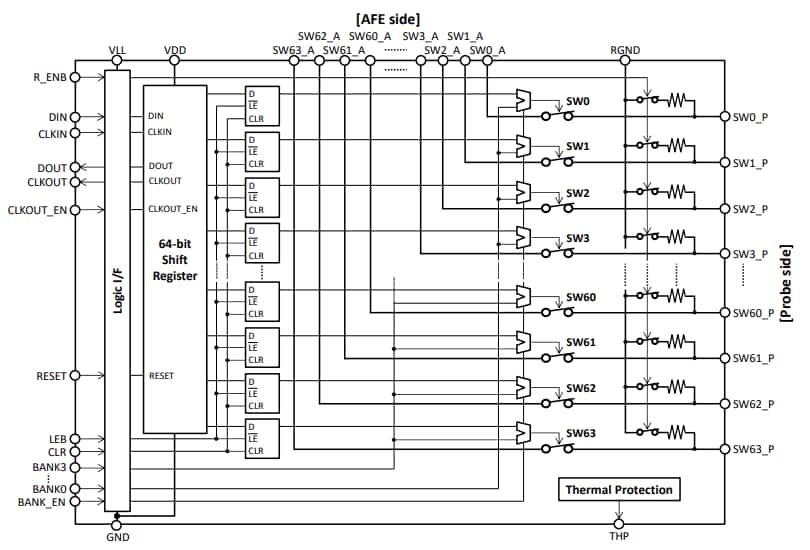
ABLIC S-UM65x High-Voltage Analog Switches are low-charge injection 32-channel Single-Pole Single-Throw (SPST) devices with 2A peak analog signal current per channel. These switches feature 0V to ±100V analog signal voltage range allowing up to ±150V voltage overshoot. The S-UM65x switches also feature a 15pC charge injection to 1000pF, a -60dB switch crosstalk, and a 1.8V to 5V CMOS logic interface. These analog switches include a user-selectable serial digital interface (32-bit shift registers) or bank interface (4 banks of 8-channel). The S-UM65x switches consist of a user-selectable 40kΩ bleed resistor on the probe side. These switches operate only by a single 5V voltage for ultrasound imaging applications.Features
- 2A peak analog signal current per channel
- 0V to ±100V analog signal voltage range allowing up to ±150V voltage overshoot
- 15pC charge injection to 1000pF
- -60dB switch crosstalk
- 1.8V to 5V CMOS logic interface
- User-selectable serial digital interface (32-bit shift registers) or bank interface (4 banks of 8-channel)
- User-selectable 40kΩ bleed resistor on the probe side
- Low on/off capacitance
- Low power dissipation (static 5mW)
- Embedded thermal protection with flag indicator
- Operates on a single 5V supply voltage
- S-UM6523:
- 10kHz to 70MHz analog signal frequency range
- 8Ω switch on-resistance
- -70dB off-isolation at analog small-signal 5MHz
- RoHS compliant 9mm x 9mm BGA package
- S-UM6524:
- 10kHz to 75MHz analog signal frequency range
- 4Ω switch on-resistance
- -75dB off-isolation at analog small-signal 5MHz
- RoHS compliant 13mm x 13mm BGA package
- S-UM6532:
- 10kHz to 70MHz analog signal frequency range
- 6Ω switch on-resistance
- -75dB off-isolation at analog small-signal 5MHz
- RoHS compliant 15mm x 15mm BGA package
- 4W maximum power dissipation
Applications
- Ultrasound imaging
S-UM6523/S-UM6524 Block Diagram
S-UM6532 Block Diagram
Veröffentlichungsdatum: 2024-09-25
| Aktualisiert: 2024-10-18
