Abracon O-CS8 Series OCXO Oscillators
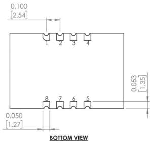
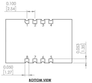
Abracon O-CS8 Series Oven Controlled Crystal Oscillator (OCXO) Oscillators feature ultra-low phase noise performance, small size, and precision SC-cut crystal. These oscillators offer -10dBc/Hz improvement of close-in phase noise (-105dBc/Hz @10Hz) and an outstanding -15dBc/Hz improvement (-180dBc/Hz @100kHz). The OCXO oscillators operate at 3.3V or 5V voltage, -20°C to 70°C temperature range and 100MHz frequency. These OCXO oscillators deliver 15dBm sine wave output and up to ±100ppb frequency stability. The O-CS8 oscillators are available in 14mm x 21.08mm x 7.5mm SMD package dimensions. These oscillators are part lead-free and RoHS compliant. Typical applications include instrumentation, radars, high-end synthesizers, test and measurement, telecommunication systems, and data communication.Features
- Ultra-low phase noise
- SC-cut crystal
- 15dBm sine wave output
- Extremely small, slim package
- Part lead-free
- RoHS compliant
Specifications
- 3.3V or 5V supply voltage
- 100MHz frequency
- -20°C to 70°C operating temperature range
- 14mm x 21.08mm x 7.5mm dimensions
- 15pF load capacitance
- ±50ppb frequency stability
- Phase noise options:
- Standard -95dBc/Hz @10Hz offset to -178dBc/Hz @100kHz offset
- Premium -100dBc/Hz @10Hz offset to -178dBc/Hz @100kHz offset
- Ultimate -105dBc/Hz @10Hz offset to -180dBc/Hz @100kHz offset
Applications
- Instrumentation
- Radar
- High-end synthesizers
- Telecommunication systems
- Data communication
- Test and measurement
Veröffentlichungsdatum: 2023-09-12
| Aktualisiert: 2023-09-18
