Allegro MicroSystems ARG81300 Supply & Control Voltage Regulator
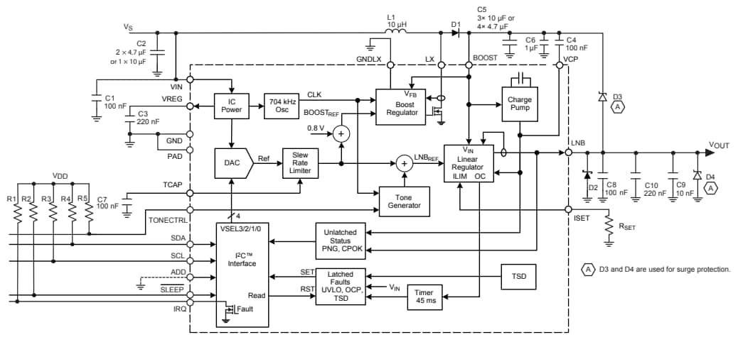
Allegro MicroSystems ARG81300 Supply and Control Voltage Regulator is a single-channel low-noise block regulator (LNBR). The ARG81300 has a monolithic boost converter followed by a low-drop linear regulator. The device provides the power and the interface signals to an LNB down converter via coaxial cable in satellite TV receiver systems.Features
- Integrated boost MOSFET, current sensing, and compensation
- Stable with low-profile ceramic boost capacitors
- 704kHz switching frequency for small, low-cost components
- SLEEP pin for ultralow power consumption mode
- Boost peak current limit scales with LNB current limit
- Adjustable LNB output current limit (250 to 950mA) with a shutdown timer
- Covers a wide array of application requirements
- Minimizes component sizing to fit each application
- For a startup, reconfiguration, and continuous output
Block Diagram
Veröffentlichungsdatum: 2022-07-27
| Aktualisiert: 2022-08-10
