Allegro MicroSystems CT310 XtremeSense™ TMR Sensors
Allegro MicroSystems CT310 XtremeSense™ TMR Sensors are 2D angle sensors in a dual full-bridge configuration developed on patented XtremeSense™ 2D Tunnel Magnetoresistance (TMR) technology. The operational magnetic field range for this two-dimensional sensor spans from 250G to 900G. After a single instance of offset and gain compensation, the angle error remains below 0.60° across varying temperatures. The CT310 sensors are available in 8-lead TSSOP packages. For space-critical applications, these sensors are also available in a low-profile small form factor 8-lead DFN package that is 2mm × 2mm × 0.45mm in size. Typical applications include angular measurements, rotary and angular sensors, and BLDC motors.Features
- Angle error less than 0.60° (after one-time compensation) over a full temperature range
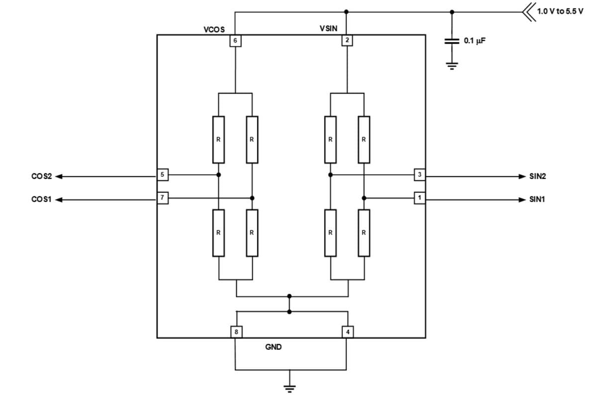
- Dual full-bridge resistor network
- 250G to 900G operating magnetic field
- Differential outputs for SIN and COS axes
- 1.0V to 5.5V supply voltage
- AEC-Q100 Grade 1
- Package options:
- 8-lead TSSOP
- 8-lead DFN, 2mm × 2mm × 0.45mm dimensions
Applications
- Angular measurements
- Rotary and angular sensors
- BLDC motors
Recommended Application Circuit
Veröffentlichungsdatum: 2024-07-19
| Aktualisiert: 2025-03-03
