Allegro MicroSystems CT453 XtremeSense® TMR Contactless Current Sensors
Allegro MicroSystems CT453 XtremeSense® TMR Contactless Current Sensors combine high bandwidth and low noise utilizing Allegro MicroSystems’s patented XtremeSense TMR technology. The CT453 provides high-accuracy current measurements for many consumer, enterprise, and industrial applications. The CT453 supports six field ranges where the device senses and translates the magnetic field into a linear analog output voltage. The CT453 delivers a total error output of less than ±1.0% over voltage and temperature. The coreless current sensors supply an effective common mode rejection of more than -50dB in a small package that is simple to design.These features allow the Allegro CT453 XtremeSense TMR Contactless Current Sensors to have a greater than 90% immunity to stray magnetic fields, thus having almost no impact on the accuracy of the current measurement. Furthermore, the devices have less than 300ns output response time while the current consumption is about 6.0mA. The CT453 is equipped with a filter function to reduce the noise on the output pin.
The CT453 is housed in an industry-standard 8-lead SOIC package and a very low profile, 8-lead TSSOP package that is both “green” and RoHS compliant.
Features
- Integrated contactless current/field sensing ranges:
- 0mT to +6mT
- -6mT to +6mT
- 0mT to +12mT
- -12mT to +12mT
- 0mT to +24mT
- -24mT to +24mT
- Linear analog output voltage
- -50dB Common mode field rejection
- Total error output of ≤ ±1.0%, -40°C to +125°C
- 1MHz Bandwidth
- Response time <300ns
- VOUT – VREF Error <1.0% FS (Max.)
- >65dB High Signal-to-Noise Ratio (SNR)
- 3.0V to 3.6V Supply voltage
- Filter pin to reduce noise on output
- AEC-Q100 Grade 1
- Package options:
- 8-lead SOIC
- 8-lead TSSOP
Applications
- Solar/power inverters
- PFC Systems
- Battery management systems
- Smart fuse over-current detection
- Industrial equipment
- Power utility meters
- Power conditioner
- DC/DC Converters/power supplies
Functional Block Diagram for SOIC-8
Functional Block Diagram for TSSOP-8
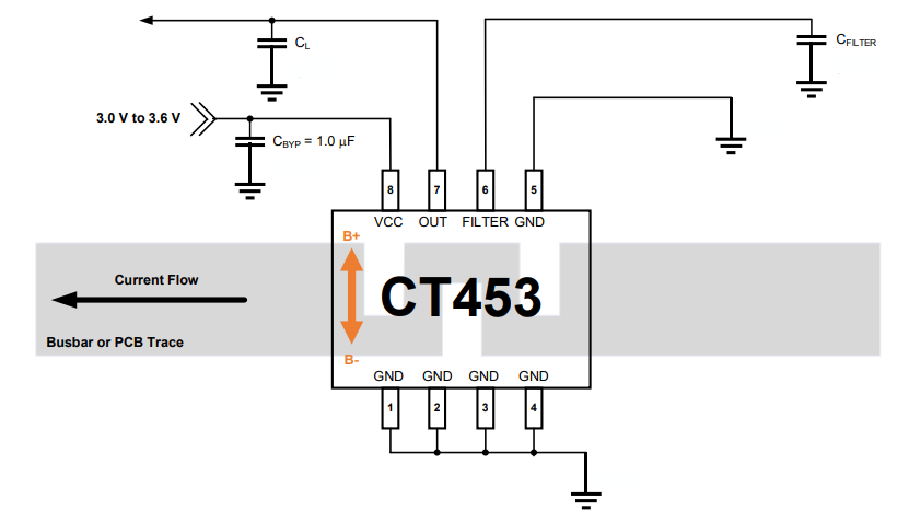
Application Diagram for SOIC-8
Application Diagram for TSSOP-8
Veröffentlichungsdatum: 2022-09-16
| Aktualisiert: 2024-01-12
