Alps Alpine HAPTIC™ Heavy Type Reactor
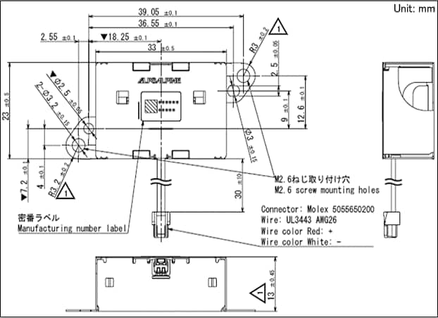
Alps Alpine HAPTIC™ Heavy Type Reactor offers 33mm x 23mm x 13mm dimensions and an operating temperature range of -40°C to +85°C. This reactor has clear tactile feedback and provides powerful vibrations, making it suitable for automotive devices. The HAPTIC reactor features 5MΩ insulation resistance, 10.2Ω ±10% interterminal direct current resistance, and 16Vp-p rated interterminal voltage. Alps Alpine HAPTIC Heavy Type Reactor is ideal for infotainment screens, center consoles, and automotive devices.Features
- Powerful vibrations for automotive devices
- Clear tactile feedback
Applications
- Infotainment screens
- Center consoles
- Automotive devices
Specifications
- 35Vp-p maximum interterminal voltage
- 16Vp-p rated interterminal voltage
- 5MΩ minimum insulation resistance
- 10.2Ω ±10% interterminal direct current resistance
- 120Hz resonance frequency
- 15G vibration force
- 33mm x 23mm x 13mm dimensions
- -40°C to +85°C operating temperature range
Dimensions
Additional Resources
Veröffentlichungsdatum: 2023-01-11
| Aktualisiert: 2023-01-23
