Amphenol Anytek GA Gebäudeautomation-PCB-Steckverbinder
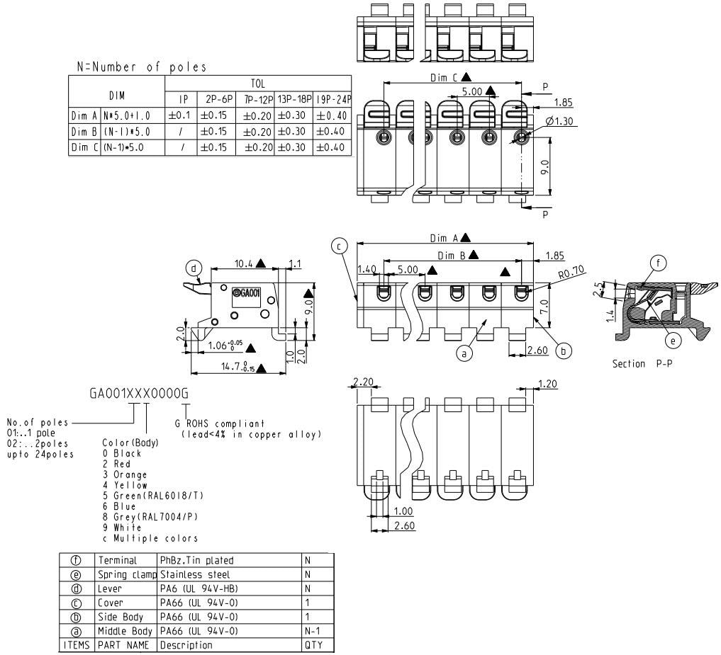
Die Gebäudeautomation-PCB-Steckverbinder GA von Amphenol Anytek bieten eine kostengünstige und benutzerfreundliche Verkabelungslösung für Gebäudeautomationsanwendungen, darunter intelligente Thermostate, Raumsensoren und Raumbediengeräte. Das Hebeldesign dieser 5,0-mm- PCB-Steckverbinder unterstützt Volldraht-, Flex- und Litzenkabel und erhöht die Verdrahtungseffizienz um mehr als 70 % im Vergleich zu Schraubverbindungen. Die GA-Baureihe von Amphenol Anytek verfügt über eine Schnallenbefestigung, die den Stecker sicher am unteren Gehäuse arretiert. Stiftleisten im oberen Gehäuse sorgen für einen zuverlässigen Leiterplattenkontakt. Die Baureihe unterstützt Leiterquerschnitte bis zu 2,5 mm2.Merkmale
- Werkzeuglose Hebelverbindung – die Hebelkonstruktion unterstützt Volldraht-, Flex- und Litzenkabel und erhöht die Verdrahtungseffizienz um >70 % im Vergleich zu Schraubverbindungen.
- Kompaktes Design mit 5,0 mm Rastermaß
- Geeignet für Leiterquerschnitte bis zu 2,5 mm2
- Nennstrom 7 A / Nennspannung 300 V (UL)
- Standardisierte Verriegelungsstruktur für einfache Montage in zweiteiligen Elektronikgehäusen
Applikationen
- Smart Home-Systeme
- Thermostate
- Raumsensoren (Luft)
- Raum-Bedieneinheiten
- Rauch- und Feuermelder
- Türöffnungs- und Zugangskontrollsysteme
- Einbruchmeldesensoren
Abmessungen
Veröffentlichungsdatum: 2025-11-10
| Aktualisiert: 2025-11-13
