Amphenol All Sensors AXCX Prime-Grade Millivolt-Ausgangs-Drucksensoren
Amphenol All Sensors ADCX Prime-Grade Millivolt-Ausgangs-Drucksensoren basieren auf der proprietären Technologie zur Reduzierung von Ausgangsoffset- oder Gleichtaktfehlern. Diese Sensoren bieten einen kalibrierten Millivolt-Ausgang mit hervorragenden Ausgangsoffset-Eigenschaften. Die AXCX Sensor-Module nutzen eine mikromaschinell bearbeitete Silizium-Struktur mit verbesserter Formzahl, um einen zum gemessenen Druck linearen Ausgang zu liefern. Diese kalibrierten und temperaturkompensierten Sensoren liefern eine präzise und stabile Ausgabe über einen großen Temperaturbereich. Die AXCX Sensoren sind für den Einsatz mit nichtkorrosiven und nichtionischen Arbeitsmedien vorgesehen, wie z. B. Luft- und Trockengase. Diese Prime-Grade Sensoren sind diejenige Version von Millivolt-Ausgangs-Drucksensoren mit der höchsten Genauigkeit. Die Ausgänge dieser Bauteile sind ratiometrisch zur Versorgungsspannung und der Betrieb von einer beliebigen DC-Versorgungsspannung von bis zu 16 V ist zulässig. Diese AXCX Mitteldrucksensoren eignen sich hervorragend für den Einsatz in medizinischen Messgeräten, in der Umweltmesstechnik und in HLKs.Merkmale
- Druckbereiche: 0 PSI bis 150 PSI
- Version mit höchster Genauigkeit
- Temperaturkompensiert
- Kalibrierter Nullpunkt und Messbereich
Applikationen
- Medizinische Messgeräte
- Umweltmesstechnik
- HLK
Ersatzschaltung
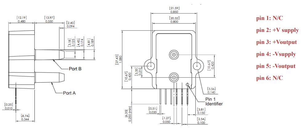
Physische Abmessungen
Veröffentlichungsdatum: 2019-07-08
| Aktualisiert: 2023-05-01
