Amphenol / SV Microwave Rückseitig montierbare Durchsteck-HF-PCB-Steckverbinder
Die rückseitig montierbaren Durchsteck-HF-PCB-Steckverbinder von Amphenol / SV Microwave bieten überlegene Signalqualität, da sie Durchkontaktierungen (Vias) beseitigen, weshalb die Steckverbinder ideal für Hochfrequenz-Designs geeignet sind. Diese rückseitig montierbaren HF-Steckverbinder reduzieren außerdem parasitäre Effekte, vereinfachen das Routing und reduzieren den PCB-Schichtaufbau, wodurch die mechanische Integration für moderne HF-Systeme verbessert wird. Die rückseitig montierbaren Durchsteck-HF-PCB-Steckverbinder von Amphenol / SV Microwave sind als SMP- und SMPM-Baureihe erhältlich und für den Betrieb bis zu 40 GHz ausgelegt.Merkmale
- Direkter Signalpfad reduziert Steckverluste und Reflexionen
- Platzsparende, mechanische Integration mit niedrigem Profil
- Beseitigt Kabel von der Oberseite der PCB
- Klare, vorhersehbare Impedanzübergänge
- Frequenzen von zu 26,5 GHz (SMP) oder 40 GHz (SMPM)
- 50 Ω Impedanz
Applikationen
- RADAR- und Satellitenkommunikation
- Kompakte Module
- mmWave-Systeme
- 5 G
Datenblätter
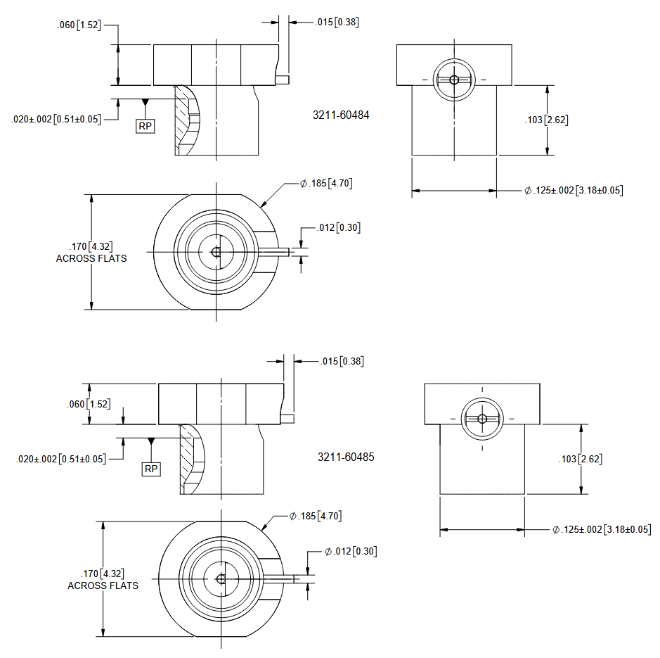
SMP-Produktzeichnungen
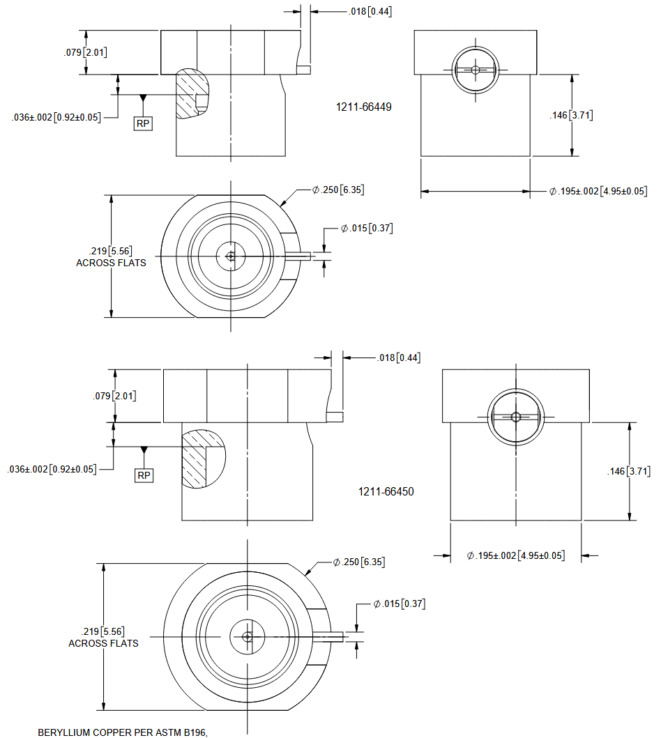
SMPM-Produktzeichnungen
Veröffentlichungsdatum: 2025-10-14
| Aktualisiert: 2025-10-23
