Analog Devices Inc. LT8708x Buck-Boost Controller mit vier Schaltern

Analog Devices Inc. LT8708x Buck-Boost Controller mit vier Schaltern sind für einen Betrieb von einer Eingangsspannung ausgelegt, die oberhalb, unterhalb oder gleich der Ausgangsspannung sein kann. Diese Controller verwenden die vier Widerstände auf der PCB, um den Vorwärtseingang, Rückwärtseingang, Vorwärtsausgang und Rückwärtsausgang unabhängig einzustellen. Die LT8708x Controller verfügen über eine Synchrongleichrichtung, eine bidirektionale 80-V-Fähigkeit, sechs unabhängige Formen der Regelung und einen diskontinuierlichen Vorwärts- und Rückwärts-Leitungsmodus.

Die LT8708-1 Regler-Controller sind mit dem LT8708 Controller gleichgeschaltet, um Leistung und Phasen einem LT8708 System hinzuzufügen. Diese Regler-Controller arbeiten stets als Slave zum Master-LT8708 und können so viel Strom oder Leistung wie der Master liefern. Die LT8708x Controller vereinfachen die bidirektionale Leistungsumwandlung in Batterie-/Kondensator-Backup-Systemen und weiteren Applikationen, die eine Regelung von VOUT, VIN, IOUT und/oder IIN erfordern. Zu den typischen Applikationen gehören Hochspannungs-Auf-/Abwärtswandler, bidirektionale Ladesysteme und 48V-Automotive-Systeme.

Merkmale

  • Bidirektionale 80V-Fähigkeit
  • VIN kann oberhalb, unterhalb oder gleich der VOUT sein
  • Sechs unabhängige Regelungsformen:
    • VIN-Strom (vorwärts und rückwärts)
    • VOUT-Strom (vorwärts und rückwärts)
    • VIN- und VOUT-Spannung
  • Strom fließt in beide Richtungen
  • Ideal für Redundanz in denselben Spannungsdual-Batterie-Fahrzeugapplikationen
  • Bis zu 99 % Wirkungsgrad bei Synchrongleichrichtung
  • Ideal für Batterien mit hoher Kapazität
  • Unterstützung für diskontinuierlichen Vorwärts- und Rückwärts-Leitungsmodus
  • Unterstützt MODE- und DIR-Pin-Änderungen beim Schalten
  • VINCHIP-Bereich: 2,8 V bis 80 V
  • VOUT-Bereich: 1,3 V bis 80 V
  • Kann auch mit Superkondensatoren verwendet werden
  • Erhältlich im 40-Pin-QFN (5 mm x 8 mm) mit Hochspannungs-Pin-Abstand

Applikationen

  • Hochspannungs-Auf-/Abwärtswandler
  • Bidirektionale Ladesysteme
  • 48V-Automotive-Systeme

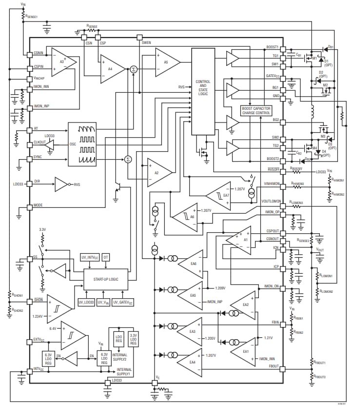
Blockdiagramm

Blockdiagramm - Analog Devices Inc. LT8708x Buck-Boost Controller mit vier Schaltern

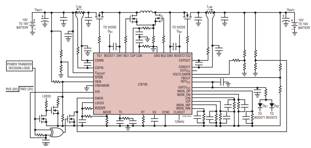
Typische Applikations-Schaltung

Applikations-Schaltungsdiagramm - Analog Devices Inc. LT8708x Buck-Boost Controller mit vier Schaltern

Videos

Veröffentlichungsdatum: 2019-01-07 | Aktualisiert: 2023-07-27