Analog Devices Inc. AD8410ARx Evaluierungsboards

Analog Devices Inc. AD8410ARx Evaluierungsplatinen sind Plattformen zur Evaluierung des Betriebsverhaltens des AD8410A Strommessverstärkers. Diese Platinen sind zur einfachen Konfiguration der verschiedenen Betriebsmodi ausgelegt und ermöglichen Flexibilität mit Lasten. Ein Querwiderstand (R1) mit einer maximalen Standardgröße von 2818 kann auf die Platine gelötet werden. AD8410AR-EVALZ Platinen nehmen den AD8410A in einem kleinen Standardgehäuse (SOIC _ N) auf. Das AD8410ARM-EVALZ nimmt den AD8410A in einem mini-small-outline-Gehäuse (MSOP) auf.

Merkmale

  • Ermöglicht ein schnelles Breadboarding und Prototyping
  • Einfach konfigurierbar für den unidirektionalen oder bidirektionalen Betrieb
  • Enthält eine Einrichtung für den Strommessungs-Nebenwiderstand
  • Einfache Verbindung zu Testausrüstungen
  • Enthält Vorrichtungen für einen Eingangsfilter und einen Ausgangsfilter
  • Entkoppelte Versorgungsleitung

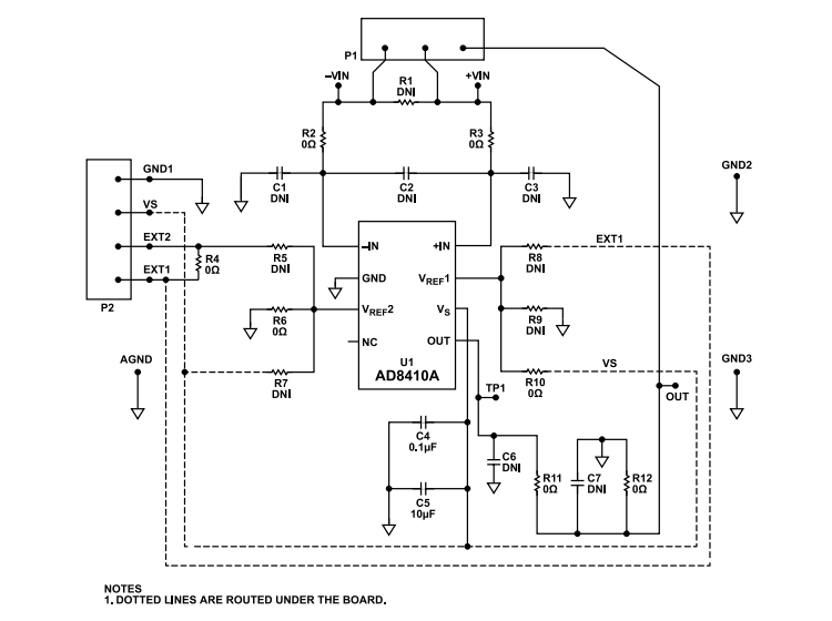
Schaltplan

Schaltplan - Analog Devices Inc. AD8410ARx Evaluierungsboards

Übersicht

Analog Devices Inc. AD8410ARx Evaluierungsboards
Veröffentlichungsdatum: 2023-03-31 | Aktualisiert: 2025-01-27