Analog Devices Inc. AD9094 Quad-Analog-Digital-Wandler
Der Analog Devices Inc. AD9094 Quad-Analog-Digital-Wandler ist ein 8-Bit-Quad-Analog-Digital-Wandler (ADC) mit 1 GS/s. Die AD9094 Bauteile verfügen über einen On-Chip-Buffer und eine Abtast-Halte-Schaltung. Die Schaltung ist für einen geringen Stromverbrauch, eine kleine Größe und für Benutzerfreundlichkeit ausgelegt. Dieses Bauteil wurde zur Abtastung analoger Signale von bis zu 1,4 GHz in großen Bandbreiten ausgelegt. Der AD9094 ist für eine große Eingangsbandbreite, eine hohe Abtastrate, eine hervorragende Linearität sowie für einen geringen Stromverbrauch in einem kleinen Gehäuse optimiert.Merkmale
- JESD204B (Unterklasse 1) codierte, serielle, digitale Ausgänge
- Spurraten von bis zu 15 GBit/s
- Gesamtleistung bei 1 GS/s: 1,74 W
- 435 mW pro ADC-Kanal
- SFDR = TBD dBFS bei 305 MHz (1,80 V p-p Eingabebereich)
- SRV = TBD dBFS bei 305 MHz (1,80 V p-p Eingabebereich)
- Rauschdichte = -151,5 dBFS/Hz (1,80 V p-p Eingabebereich)
- 0,975 V, 1,8 V und 2,5 V DC-Versorgungsbetrieb
- Keine fehlenden Codes
- Interne ADC-Spannungsreferenz
- Analoger Eingangsbuffer
- On-Chip-Dithering zur Verbesserung der Kleinsignallinearität
- Flexibler Differential-Eingangsbereich
- 1,44 V p-p bis 2,16 V p-p (1,80 V p-p Nennwert)
- Analoge Eingangsbandbreite von 1,4 GHz mit voller Leistung
- Amplitudenerfassungs-Bits für effiziente AGC-Implementierung
- Vier integrierte Breitband-Digitalprozessoren
- 48-Bit-NCO, bis zu 4 kaskadierte Halbbandfilter
- Differential-Takteingang
- Ganzzahl-Taktteilung durch 1, 2, 4, oder 8
- On-Chip-Temperaturdiode
- Flexible JESD204B Spurkonfigurationen
Applikationen
- LIDAR
- Kommunikation
- DSO
- Ultra-Breitband-Satellitenempfänger
- Messgeräte
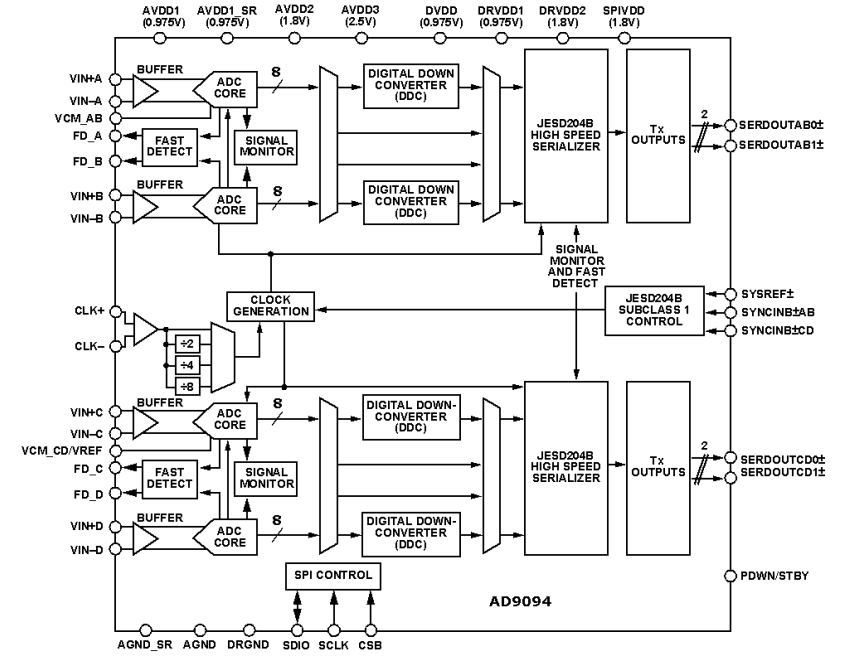
FUNKTIONALES BLOCKDIAGRAMM
Veröffentlichungsdatum: 2020-12-15
| Aktualisiert: 2024-12-13
