Analog Devices Inc. AD917x 16-Bit-Digital-Analog-Wandler
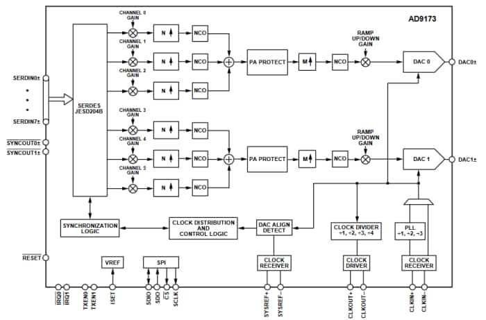
Analog Devices AD917x 16-Bit-Digital-Analog-Wandler (DACs) sind Hochleistungs-Dual-Wandler, die DAC-Abtastraten von bis zu 12,6 GSPS unterstützen. Die AD917x Wandler verfügen über einen JESD204B-konformen 8-Lane-Dateneingangs-Anschluss von 15 GBit/s und einen leistungsstarken On-Chip-DAC-Taktmultiplikator. Die Bauelemente verfügen außerdem über digitale Signalverarbeitungsfunktionen für Einzelband und Multiband direkt zu drahtlosen Hochfrequenz-(HF)-Applikationen. Die AD917x verfügen über drei komplexe Dateneingangskanäle pro HF-DAC, die umgangen werden können. Jeder Dateneingangskanal enthält eine konfigurierbare Verstärkungsstufe, einen Interpolationsfilter und einen numerisch gesteuerten Kanaloszillator (NCO) für eine flexible Multiband-Frequenzplanung.Merkmale
- Unterstützt drahtlose Multiband-Applikationen
- 3 umgehbare, komplexe Dateneingangskanäle pro HF-DAC
- 1,54 GSPS max. komplexe Eingangsdatenrate pro Eingangskanal
- 1 unabhängiger NCO pro Eingangskanal
- Herstellerspezifische störungs- und verzerrungsarme Konstruktion
- 2-farbige Intermodulationsverzerrung (IMD) = −83 dBc bei 1,8 GHz, -7 dBFS/Ton HF-Ausgang
- Störfreier dynamischer Bereich (SFDR) <−80 dBc bei 1,8 GHz, -7 dBFS HF-Ausgang
- Flexible 8-spurige 15,4 Gbit/s JESD204B-Schnittstelle
- Unterstützt Einzelband- und Multiband-Applikationsfälle
- Unterstützt hochverdichteten 12-Bit-Modus für höheren Datendurchsatz
- Auswählbarer Interpolierungsfilter für einen vollständigen Satz von Eingangsdatenraten
- 1×, 2×, 3×, 4× 6× und 8× konfigurierbare Datenkanal-Interpolation
- 1×, 2×, 4× 6×, 8× 12× konfigurierbare letzte Interpolation
- Mehrfache Chip-Synchronisierung
- Unterstützt JESD204B Unterklasse 1
- Abschließender 48-Bit-NCO, der bei der DAC-Rate zur Unterstützung einer Frequenzsynthese bis zu 6 GHz arbeitet
- Sendefreigabefunktion für zusätzliche Energieersparnis und Downstream-Schaltkreisschutz
- Rauscharmer Hochleistungs-PLL-Taktverstärker
- Unterstützt 12,6 GSPS DAC-Aktualisierungsrate
- Beobachtung des ADC-Takttreibers mit wählbaren Teilungsverhältnissen
- Stromsparend
- 2,55 W bei 12 GSPS, Zweikanalmodus
- 10×10 mm, 144-Ball-BGA_ED mit metallverstärktem Wärmedeckel, 0,80 mm Abstand
Applikationen
- Drahtlose Kommunikationsinfrastruktur
- Funkgeräte mit Multiband-Basisstation
- Mikrowelle/E-Band-Backhaul-Systeme
- Messgeräte, automatische Testausstattung (ATE)
- Radar, Störsender
Veröffentlichungsdatum: 2018-03-26
| Aktualisiert: 2023-01-25
