Analog Devices Inc. ADE9178 Energiemanagement-DSP

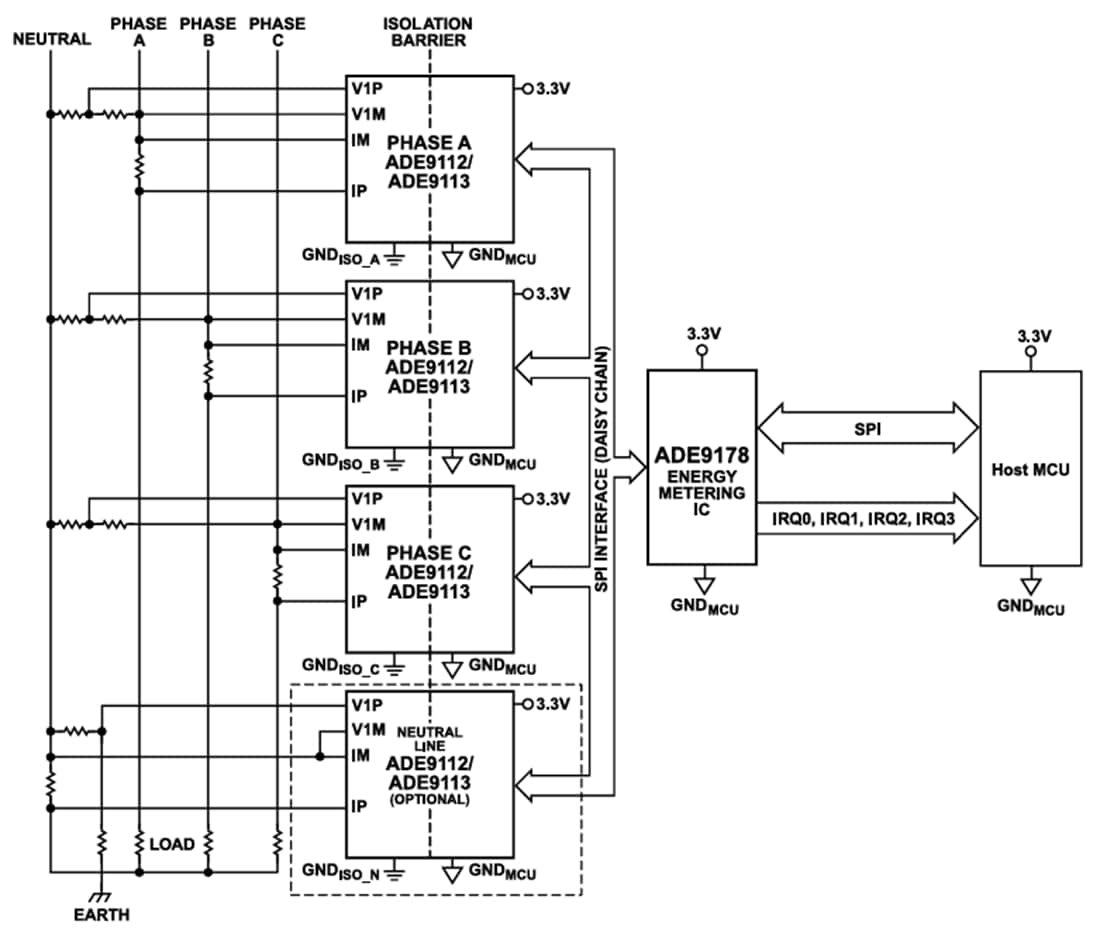
Analog Devices ADE9178 Energiemanagement-DSP ist ein digitaler Signalprozessor (DSP) für die Messtechnik, der mit einer Kombination aus ADE9113/ADE9112/ADE9103 Sigma-Delta-Analog-Digital-Wandlern (ADCs) verwendet wird. Der ADE9178 ist ein hochpräziser 3-Phasen-IC zur Messung der elektrischen Energie, der in erster Linie für den Markt der elektrischen Fahrzeugversorgungsanlagen (EVSE) bestimmt ist und über eine serielle Peripherieschnittstelle (SPI) und zwei flexible Impulsausgänge verfügt. Die ADE9178 kann über das SPI-Protokoll mit bis zu vier in Reihe geschalteten ADE9113/ADE9112/ADE9103 Bauteilen verbunden werden. Der ADE9178 enthält die gesamte Signalverarbeitung, die für die Messung der Gesamtwirkenergie, der Scheinenergie und die Berechnung des Effektivwerts (RMS) erforderlich ist. Ein DSP mit fester Funktion führt diese Signalverarbeitung aus. Der ADE9178 von Analog Devices ist in einem 40-Pin- TQFN-EP-Gehäuse erhältlich.

Merkmale

  • Metrologie-Chip zur Verwendung mit einer beliebigen Kombination der folgenden AFEs
    • ADE9113 (3-Kanal, isoliert, Σ-Δ-ADC)
    • ADE9112 (2-Kanal, isoliert, Σ-Δ-ADC)
    • ADE9103 (3-Kanal, nicht isoliert, Σ-Δ-ADC)
  • Unterstützt bis zu vier ADE9113/ADE9112/ADE9103 Daisy-Chain-ADCs über 4-Draht-SPI (unterstützt insgesamt bis zu 12 ADC-Kanäle mit Daten)
  • 4-Draht-SPI für Host-MCU-Kommunikation bis zu 25 MHz
  • Berechnung der gesamten Wirkenergie
  • Die Genauigkeit der Klasse C (0,5 %) unterstützt Folgendes
    • MID 2014/32/EU Anhang V
    • EN 50470-1:2006
    • EN 50470-3:2006
    • EN 50470-3:2022
    • IEC 62052-11:2020
    • IEC 62053-21:2020
    • OIML G 22:2022
    • NIST-Handbuch 44:2023
  • Berechnung der gesamten Scheinenergie mit gefiltertem RMS
  • Energiespeicherung, -import und -export für Rückstrom-/Fahrzeug-zu-Grid-Applikationen (V2G)
  • Konfigurierbare Register für Phase, Gain und Offset-Kalibrierung für alle ADC-Kanäle
  • Grundlegende Merkmale der Stromqualität
    • Kurzzeitige Erkennung von Unter- oder Überspannungen (DIP/Swell)
    • Erkennung von kurzzeitigem Unterstrom oder Überstrom (DIP/Swell)
    • Berechnung der Netzfrequenz mit einer Genauigkeit von 10 mHz
    • Winkel zwischen Phasenspannungen und Strömen
    • Berechnung des Leistungsfaktors
  • Zwei konfigurierbare Kalibrierungsfrequenz(CF)-Impulsausgänge
  • Konfigurierbar, ohne Lasterkennung
  • Erkennung von Phasensequenzen
  • RMS auf vollem Zyklus, halbem Zyklus und gefiltertem RMS auf allen ADC-Kanälen
  • Unterstützter Frequenzbereich von 45 Hz bis 65 Hz
  • Vier benutzerprogrammierbare Interrupt-Ausgänge (IRQs)
  • PEN-Open-Fehlererkennung (BS 7671:2018 Änderung 1:2020)
  • Wellenform-Streaming über den UART-Sendepin
  • Datenpfad-Multiplexing, damit alle ADC-Daten für jeden Datenverarbeitungspfad verwendet werden können
  • Temperaturbereich von −40°C bis +105 °C
  • Erhältlich im 40-Pin-TQFN-EP-Gehäuse von 5 mm × 5 mm

Applikationen

  • Versorgungseinrichtungen für Elektrofahrzeuge
  • Shunt-basierte mehrphasige Messgeräte
  • Solar-Wechselrichter
  • Strom- und Energieüberwachung

Typische Applikations-Schaltung

Applikations-Schaltungsdiagramm - Analog Devices Inc. ADE9178 Energiemanagement-DSP
Veröffentlichungsdatum: 2024-11-08 | Aktualisiert: 2024-11-18