Analog Devices Inc. ADL6331-EVALZA Evaluierungsboard
Das Analog Devices ADL6331-EVALZA Evaluierungsboard verfügt über eine manuelle Steuerung des ADL6331 über den USB-Anschluss auf einem Microsoft® Windows® PC über ein SDP-S-Schnittstellenboard, das separat erhältlich ist. Der ADL6331 Sendeverstärker mit variabler Gain (TxVGA) von ADI bietet eine Schnittstelle von HF-Digital-Analog-Wandlern (HF-DACs) zu einer einendigen Leistungsverstärker-Signalkette (PA). Das ADL6331-EVALZA Evaluierungsboard ist vollständig mit einer benutzerfreundlichen Schnittstelle mit ACE-Software ausgestattet.Merkmale
- Vollständig bestücktes Evaluierungsboard für den ADL6331-EVALZA
- Einzelversorgungsbetrieb
- Einfach zu bedienende Schnittstelle mit Analyse-Control-Evaluierungssoftware (ACE)
Erforderliche Ausrüstung
- DC-Netzteil: 3,3 V
- EVAL-SDP-CS1Z (SDP-S)
- Signalgenerator
- Spektrumanalysator
- Netzwerkanalysator (optional)
- Microsoft Windows PC mit einem USB-Anschluss
Software
- ACE-Software
- ACE ADL6331 Plugin-Software
Typische Messeinrichtung
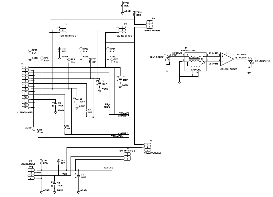
Schaltschema
Layout
Veröffentlichungsdatum: 2024-05-07
| Aktualisiert: 2024-06-25
