Analog Devices Inc. ADL8102-EVALZ Evaluierungsboard

Das ADL8102-EVALZ Evaluierungsboard von Analog Devices ist eine zweilagige Leiterplatte (PCB) mit einer Dicke von 10 mm, Rogers 4350B und Kupferbeschichtung. Die ADL8102-EVALZ HFIN - und HFOUT -Anschlüsse verfügen über 2,9 mm Koaxialbuchsen und die entsprechenden HF-Spuren haben eine Wellenimpedanz von 50 Ω.

Der ADI ADL8102-EVALZ verfügt über Komponenten, die sich ideal für den Einsatz über den gesamten Betriebstemperaturbereich von -40 °C bis +85 °C eignen.

Merkmale

  • Zweilagiges Evaluierungsboard Rogers 4350B
  • 2,9-mm-End-Launch-HF-Steckverbinder
  • Über den Kalibrierungspfad (unbestückt)

Applikationen

  • Telekommunikation
  • Satellitenkommunikationssysteme
  • Militärische Radaranlagen
  • Wetterradar
  • Zivile Radaranlagen
  • Elektronische Kriegsführung

Erforderliche Ausrüstung

  • HF-Signalgenerator
  • HF-Spektrumanalysator
  • RF-Netzwerkanalysator
  • 5 V, 500 mA Netzteil

Layout

Schaltungsanordnung - Analog Devices Inc. ADL8102-EVALZ Evaluierungsboard

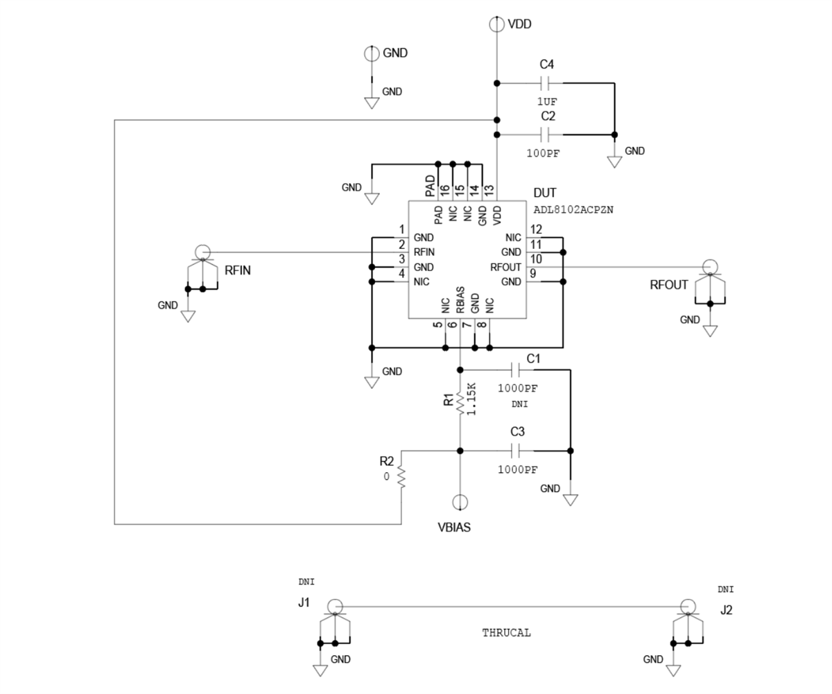
Schaltschema

Schaltplan - Analog Devices Inc. ADL8102-EVALZ Evaluierungsboard
Veröffentlichungsdatum: 2023-12-18 | Aktualisiert: 2024-01-30