Analog Devices Inc. ADP1034 Mikropower-Managementeinheit (PMU)
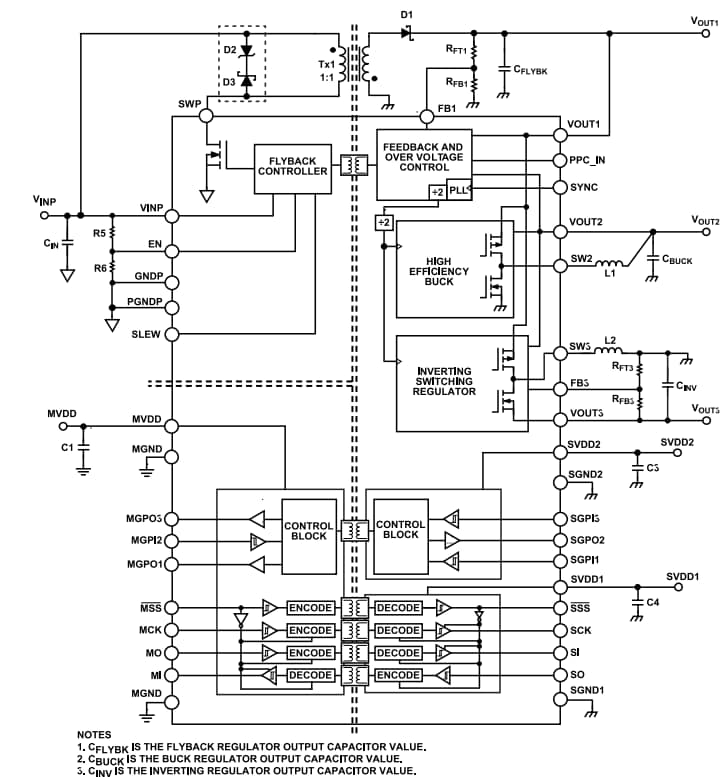
Die Micropower Management Unit (PMU) ADP1034 von Analog Devices Inc. ist eine leistungsstarke und isolierte PMU, die einen isolierten Flyback-Gleichstromregler, einen Buck-Boost- und einen Buck-Gleichstromregler kombiniert. Die ADP1034 PMU verfügt über vier Hochgeschwindigkeits-SPI-Isolationskanäle (Serial Peripheral Interface) und drei Allzweck-Isolatoren für Kanal-zu-Kanal-Anwendungen. Diese PMU arbeitet mit einem weiten Eingangsspannungsbereich von 4,5 V bis 60 V. Die ADP1034-PMU bietet einen typischen Wirkungsgrad von 86 % bei einer Ausgangsleistung von 2,61 W. Diese PMU zeichnet sich durch hohe Geschwindigkeit, geringe Ausbreitungsverzögerung und SPI-Signalisolationskanäle aus. Zu den Applikationen gehören Industrieautomatisierung und Prozesssteuerung, Messgeräte- und Datenerfassungssysteme sowie Daten- und Leistungsisolierung.Merkmale
- 4,5 V bis 60 V breiter Bereich der Eingangsspannung
- Integrierter Flyback-Leistungsschalter
- Erzeugt isolierte, unabhängige, über Widerstände programmierbare bipolare Ausgänge und einen werkseitig programmierbaren Buck-Ausgang:
- 6 V auf 28 V VOUT1
- 5 V VOUT2
- -24 V auf -2 V VOUT3
- 86 % typischer Wirkungsgrad bei 2,61 W Ausgangsleistung
- Programmierbarer Power Control Pin (PPC_IN) zur Einstellung von VOUT1 über einen seriellen Befehl
- Verwendet einen 1:1 Verhältnis-Transformator für ein vereinfachtes Transformator-Design
- Anpassbare Schaltfrequenz über SYNC-Eingang
- Spitzenstrombegrenzung und Überspannungsschutz
- Interne Kompensation und Soft-Start-Steuerung pro Regler
- Präziser Freigabeeingang
- Hohe Geschwindigkeit, geringe Laufzeitverzögerung und SPI-Signalisolationskanäle
- Drei isolierte Universal-Datenkanäle von 100 kBit/s
- Der 41-Pin-LFCSP-Formfaktor von 9 mm x 7 mm ermöglicht eine kleine Gesamtlösungsgröße
- Sperrschicht-Betriebstemperaturbereich: -40 °C bis +125 °C
- Sicherheitszertifizierungen und behördliche Genehmigungen (beantragt)
- CISPR11 Klasse B abgestrahlte Emissionen
- UL Anerkennung: 2.500 Vrms für 1 Minute nach UL 1577
- CSA-Bauteilabnahmebescheid 5A:
- 300 VEffektivwert der Basisisolierung zwischen Slave-, Master- und Feldstromdomänen (IEC 61010-1, in Vorbereitung)
- VDE-Konformitätszertifikat:
- DIN V VDE 0884-10 (VDE 0884-10): 2006-12
- VIORM = 565 V Spitze
Applikationen
- Industrielle Automatisierung und Prozesskontrolle
- Messgeräte und Datenerfassungssysteme
- Daten- und Leistungsisolierung
Typisches Applikations-Schaltungsdiagramm
Blockdiagramm
Veröffentlichungsdatum: 2022-06-08
| Aktualisiert: 2025-03-10
