Analog Devices Inc. ADP2450 Leistungsmanagement-IC

Der Analog Devices ADP2450 Leistungsmanagement-IC ist optimiert für Niederspannungs-Leistungsschalter wie z. B. Leistungsschalter mit geformtem Gehäuse (MCCB) und Stromtransformer-betriebene Versorgungsapplikationen. Das Bauteil integriert vier Verstärker mit geringem Offset und geringem Stromverbrauch. Die programmierbaren Gain-Funktionen des ADP2450 bieten genaue Messungen über einen großen Stromeingangsbereich, der auf dem CT-Windungsverhältnis basiert. Ein Operationsverstärker mit geringem Offset ist im Bauteil für die Erkennung von Ableitstrom integriert. Der Abwärtsregler wird über einen großen Eingangsspannungsbereich von 4,5 V bis 36 V betrieben. Die Ausgangsspannung kann bis hinunter zu 0,6 V eingestellt werden. Der Abwärtsregler bietet Ausgangsströme von bis zu 500 mA.

Merkmale

  • Aufwärts-Shunt-Controller
  • Integrierter Aufwärts-Shunt-Treiber
  • Programmierbarer Leistungserkennungs-Schwellenwert
  • Abwärtsregler
  • Einstellbarer Ausgangsspannungsbereich: 4,5 V bis 36 V
  • Eingangsspannungsbereich: 4,5 V bis 36 V
  • Dauerausgangsstrom: 500 mA
  • Betriebsversorgungsstrom: 1,35 mA
  • Feste Ausgangsoptionen: 3,3 V und 5 V
  • Festgelegte Schaltfrequenz: 1,2 MHz
  • Einstellbare Ausgangsspannung: bis hinunter zu 0,6 V
  • Spannungsüberwachung und Open-Drain-Reset-Ausgang
  • 4 Verstärker mit programmierbarer Gain
  • Geringer Stromverbrauch
  • Programmierbare Gain und DC-Ausgangs-Gleichtaktspannung
  • Operationsverstärker mit geringem Offset für die Erkennung von Ableitstrom und Erdschlussstrom
  • Analoge Auslösungsschaltung mit programmierbaren Auslösungsschwellenwerten
  • Betätiger-Treiberausgang
  • In 32-Pin-LFCSP- oder 48-Pin-LQFP-Gehäusen verfügbar.
  • Sperrschichttemperaturbereich: -40 °C bis +125 °C

Applikationen

  • Niederspannungs-Leistungsschalter
  • CT-betriebene Versorgung

Typische Applikations-Schaltung

Applikations-Schaltungsdiagramm - Analog Devices Inc. ADP2450 Leistungsmanagement-IC

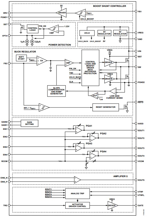
Blockdiagramm

Blockdiagramm - Analog Devices Inc. ADP2450 Leistungsmanagement-IC

Power By Linear

Leistungsdiagramm - Analog Devices Inc. ADP2450 Leistungsmanagement-IC
Veröffentlichungsdatum: 2019-07-22 | Aktualisiert: 2024-03-01