Analog Devices Inc. ADPL13602 Synchrone DC/DC-Abwärtswandler
Die synchronen DC/DC-Abwärtswandler der Baureihe ADPL13602 von Analog Devices Inc. sind Komponenten mit hohem Wirkungsgrad und integrierten MOSFETs, die über einen Eingangsspannungsbereich von 3,5 V bis 36 V betrieben werden. Der im 16-Pin-TQFN-EP-Gehäuse (3 mm x 3 mm) untergebrachte ADPL13602 kann bis zu 2,4 A Strom liefern. Die Ausgangsspannung ist von 1 V bis zu 90 % von VIN programmierbar. Eine integrierte Kompensation über den Ausgangsspannungsbereich beseitigt die Notwendigkeit für externe Kompensationskomponenten.Der ADI ADPL13602 verfügt über eine Spitzenstrommodus-Steuerungsarchitektur. Der ADPL13602 kann im erzwungenen Pulsweitenmodulations- (PWM) oder diskontinuierlichen Leitungsmodus (DCM) betrieben werden, um einen hohen Wirkungsgrad bei Voll- und Leichtlastbedingungen zu erzielen. Der ADPL13602 weist eine niedrige Mindesteinschaltzeit auf, die hohe Schaltfrequenzen und kleinere Lösungsgrößen ermöglicht. Das Bauelement bietet eine Rückkopplungs-Spannungsregelungsgenauigkeit von ±1,5 % über einen Bereich von -40 °C- bis +125 °C.
Merkmale
- Reduziert die Externe Komponenten und die Gesamtkosten
- Kein synchroner Schottky-Betrieb
- Interne Kompensationskomponenten
- Vollkeramik-Kondensatoren, kompaktes Layout
- Verringert die Anzahl der zu lagernden DC/DC-Regler
- Großer Eingangsbereich von 3,5 V bis 36 V
- Einstellbarer Ausgangsspannungsbereich von 1 V bis zu 90 % von VIN
- Liefert bis zu 2,4 A über den Temperaturbereich
- Einstellbarer Frequenzbereich von 400 kHz bis 1,5 MHz
- Reduziert die Verlustleistung
- Spitzenwirkungsgrad von 95 %
- Breiter Bootstrap-Vorspannungseingang von 2,4 V bis 12 V (EXTVCC) für einen verbesserten Wirkungsgrad
- Zuverlässiger Betrieb in widrigen Industrieumgebungen
- Hiccup-Modus-Überlastschutz
- Verstellbares und monotones Einschalten mit vorgespannter Ausgangsspannung
- Eingebaute Ausgangsspannungsüberwachung mit RESET
- Programmierbarer EN/UVLO-Schwellenwert
- Großer Industrie-Umgebungsbetriebstemperaturbereich von -40 °C bis +125 °C oder Sperrschichttemperaturbereich von -40 °C bis +150 °C
Applikationen
- Stromversorgungen für Industriesteuerungen
- Verteilte Versorgungsregelung
- Regelung von Wandtransformatoren
- Hochspannungs-Einzelboardsysteme
Vereinfachtes Applikationsdiagramm
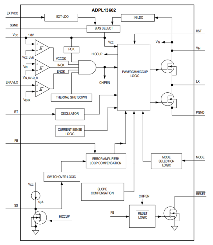
Blockdiagramm
Veröffentlichungsdatum: 2024-02-26
| Aktualisiert: 2025-05-15
