Analog Devices Inc. ADRF5547-EVLEZ Empfänger-Frontend-Evaluierungsboard

Das Analog Devices ADRF5547-EVALZ Empfänger-Frontend-Evaluierungsboard ist zur Evaluierung des ADRF5547 ausgelegt. Das ADRF5547 ist ein integriertes Zweikanal-Hochfrequenz-Frontend (HF), das sich ideal für drahtlose Zeitduplex-Infrastrukturapplikationen (TDD) eignet. Das ADRF5547 ist ein Multichip-Bauteil, das aus einem Hochleistungsschalter und einem rauscharmen Zweiphasen-Verstärker auf jedem Kanal besteht. Die Evaluierungsboard ist einfach an Testgeräte anzuschließen, was die Evaluierung des ADRF5547 erleichtert.

Merkmale

  • Vollständig bestücktes Evaluierungsboard für den ADRF5547
  • Einfache Verbindung zu Testausrüstungen
  • Durchlassleitung für Kalibrierung

Erforderliche Ausrüstung

  • DC-Stromversorgung
  • Signalgenerator
  • Spektrumanalysator-Netzwerkanalysator

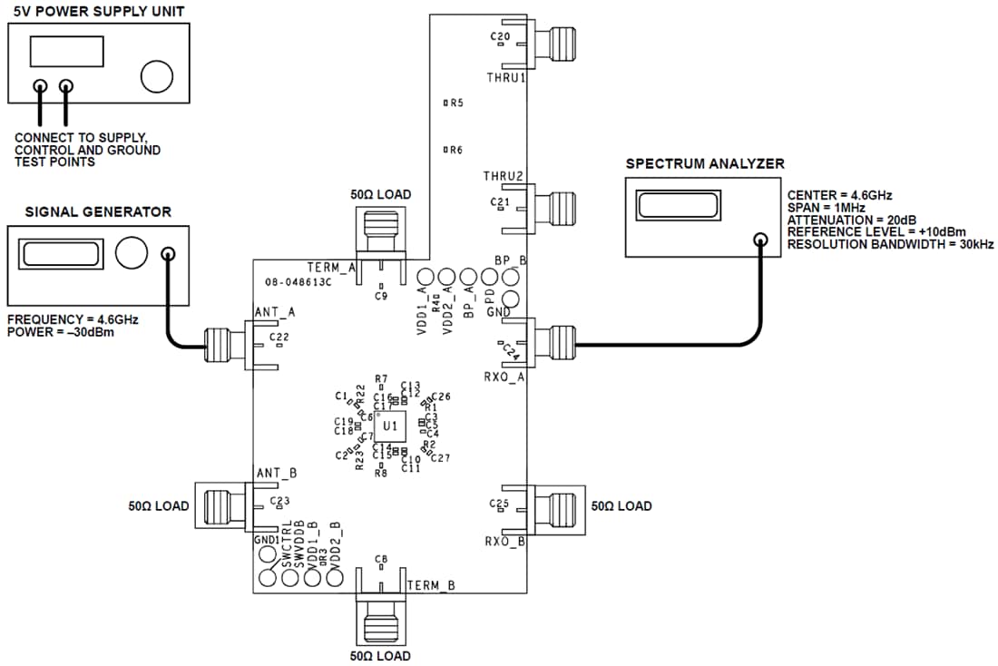
Testeinrichtung

Tabelle - Analog Devices Inc. ADRF5547-EVLEZ Empfänger-Frontend-Evaluierungsboard
Veröffentlichungsdatum: 2019-10-16 | Aktualisiert: 2024-03-04