Analog Devices Inc. EVAL-ADM3058EEBZ Evaluierungsboard
Das Evaluierungsboard EVAL-ADM3058EEBZ von Analog Devices Inc. dient zur Evaluierung der isolierten Signal- und Leistungstransceiver ADM3058E für CAN- oder CAN-FD-Netzwerke. Mit diesem Evaluierungsboard können Sie alle Ein- und Ausgangsfunktionen nutzen, ohne externe Komponenten zu benötigen. Das EVAL-ADM3058EEBZ-Board arbeitet innerhalb eines industriellen Temperaturbereichs von -40°C bis +125°C. Das Evaluierungsboard ist bestückt mit dem 8-poligen Standard-Small-Outline-Package, erhöhte Kriechstrecke (SOIC_IC) mit >8 mm Kriechstrecke. Typische Anwendungen sind industrielle Automatisierung, Prozesssteuerung, Gebäudekontrolle, Transport und Infrastruktur.Merkmale
- ADM3058E 12 Mb/s isolierte CAN FD-Transceiver
- Industrieller Betriebstemperaturbereich: -40 °C bis +125 °C
- 2-lagiges PCB mit geringer Strahlungsemission, erfüllt EN 55022 Klasse B
- Versorgungsspannungsbereich des LDO-Reglers: 6 V bis 9 V
- SMA-Steckverbinder für TXD-Pin- und RXD-Pinsignale
Applikationen
- CANOpen, DeviceNet und weitere CAN-Bus-Implementierungen
- Industrieautomatisierung
- Prozess- und Gebäudesteuerung
- Transport und Infrastruktur
Lieferumfang Kit
- EVAL-ADM3058EEBZ Evaluierungsboard
- ADM3058EBRIZ CAN-Schnittstellen-IC
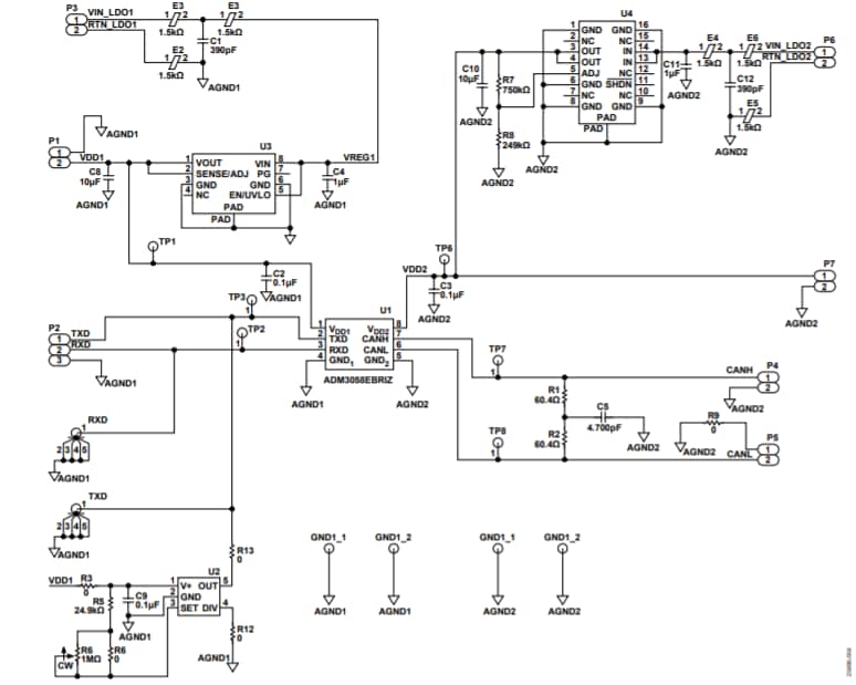
Schaltplan für das Evaluierungsboard
Veröffentlichungsdatum: 2020-08-03
| Aktualisiert: 2024-10-25
