Analog Devices Inc. EVAL-CN0391-ARDZ Evaluationsboard
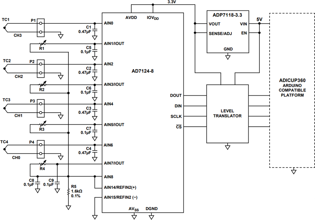
Das EVAL-CN0391-ARDZ Evaluationsboard von Analog Devices verfügt über einen Arduino-Abschirmungs-Footprint und ermöglicht Entwicklern eine schnelle Prototypenerstellung des CN0391 Mehrkanal-Thermoelement-Messsystems. Das CN0391 Mehrkanal-Thermoelement-Messsystem ermöglicht Entwicklern bis zu vier Thermoelemente einzusetzen. Die Platine unterstützt acht Thermoelement-Typen, einschließlich K, J, T, R, S, E, N und B. Jeder einzelne Thermoelement-Typ verfügt über eine Kaltstellenkompensation zusammen mit vollständig integrierten Algorithmen. Das CN0391 ermöglicht eine beliebige Kombination von Thermoelementen.Merkmale
- Flexible 4-channel thermocouple system
- Cold junction compensation
- 24-bit digitization
- Low power
- Arduino-compatible form factor
Test Setup
Simplified Schematic
Veröffentlichungsdatum: 2016-08-31
| Aktualisiert: 2025-03-25
