Analog Devices Inc. EVAL-CN0418-ARDZ Abschirmung
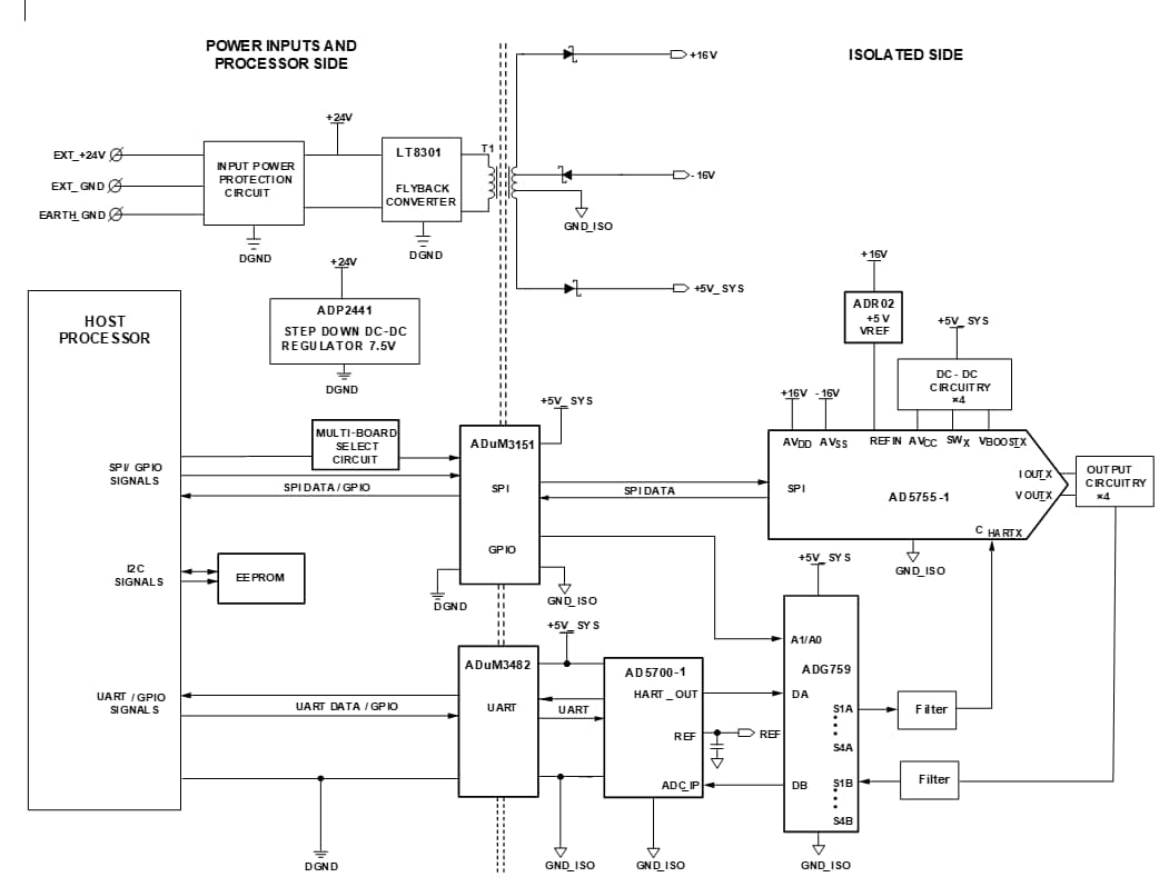
Die Analog Devices Inc. EVAL-CN0418-ARDZ Abschirmung bietet ein komplettes, vollständig isoliertes und hochflexibles Vierkanal-Analogausgangssystem. Dieses System eignet sich bestens für programmierbare Logik-Controller (PLCs) und verteilte Steuerungssysteme (DCS). Dies ist ideal für Applikationen, die einen Stromausgang von ±5 V, ±10 V und 4 mA bis 20 mA mit HART-Kompatibilität erfordern.Alle Ausgänge sind vor Überspannungen geschützt und eignen sich für raue Industrieumgebungen.Die HART-Kompatibilität bietet eine benutzerfreundliche vollständige Feldkommunikationslösung, die kostengünstig und extrem zuverlässig ist.Die Schaltung wird von einer Standard-Bus-Versorgung von 24 V betrieben und verfügt über eine On-Board-Filterung und eine Schutzschaltung. Dieses Modul kann einfach in bestehende Systeme integriert werden, da viele Fabriken und Industrieumgebungen ihre PLC/DCS von einer 24-V-Standard-Busleitung betreiben.Darüber hinaus kann das Modul von anderen Standardversorgungen von 12 VDC bis 28 VDC betrieben werden.Merkmale
- Bietet ein komplettes, vollständig isoliertes und hochflexibles Vierkanal-Analogausgangssystem
- Eignet sich für programmierbare Logik-Controller (PLCs) und verteilte Steuerungssysteme (DCS)
- Alle Ausgänge sind vor Überspannungen geschützt und eignen sich für raue Industrieumgebungen
- Die HART-Kompatibilität bietet eine benutzerfreundliche vollständige Feldkommunikationslösung, die kostengünstig und extrem zuverlässig ist
- Die Schaltung wird von einer Standard-Bus-Versorgung von 24 V betrieben und verfügt über eine On-Board-Filterung und eine Schutzschaltung
- Kann einfach in bestehende Systeme integriert werden, da viele Fabriken und Industrieumgebungen ihre PLC/DCS von einer 24-V-Standard-Busleitung betreiben
- Kann von anderen Standardversorgungen von 12 VDC bis 28 VDC betrieben werden
Blockdiagramm
Additional Resource
Veröffentlichungsdatum: 2019-07-30
| Aktualisiert: 2024-03-04
