Analog Devices Inc. EVAL-CN0575-RPIZ Development Board

Das Development Board EVAL-CN0575-RPIZ von Analog Devices Inc.  ist eine 4-schichtige Leiterplatte (PCB) zur Evaluierung des CN0575. Die CN0575 ist eine Field Device Development Platform für 10BASE-T1L mt Klasse 12/13 Single Pair Power over Ethernet (SPoE). Der EVAL-CN0575-RPIZ von Analog Devices Inc.  ist für die Raspberry Pi-Plattform ausgelegt und bietet eine nahtlose Integration mit seiner 40-Pin-GPIO-Stiftleiste. Das Bauteil behält die mechanischen Abmessungen eines Standard-HAT bei. Um das Stapeln von Platinen und die Entwicklung von Feldgeräteanwendungen mit Raspberry Pi HATs zu erleichtern, ist das Evaluierungsboard mit einer zusätzlichen GPIO-Stiftleiste mit verlängerten Anschlüssen ausgestattet.

Merkmale

  • Daten- und Stromübertragung mit Single-Pair Power over Ethernet
  • Leistungsklasse 12 und 13 lieferfähig
  • Unterstützt größere Entfernungen von bis zu 1 km
  • Bietet Geschwindigkeiten von bis zu 10MBPS
  • Funktioniert mit bestehenden Software-stacks wie PROFINET, EtherCat, MOD-BUS und weiteren

Applikationen

  • Temperatursensor-Feldgerät
  • Feldgeräteentwicklung
  • Power-over-Ethernet (PoE) -Applikationen
  • Raspberry Pi HAT Entwicklung
  • Fernbenutzereingang/-Ausgang
  • Bildungsprojekte
  • IoT-Applikationen
  • Industrieautomatisierung
  • Heimautomatisierung
  • Prototyping und Experimentieren

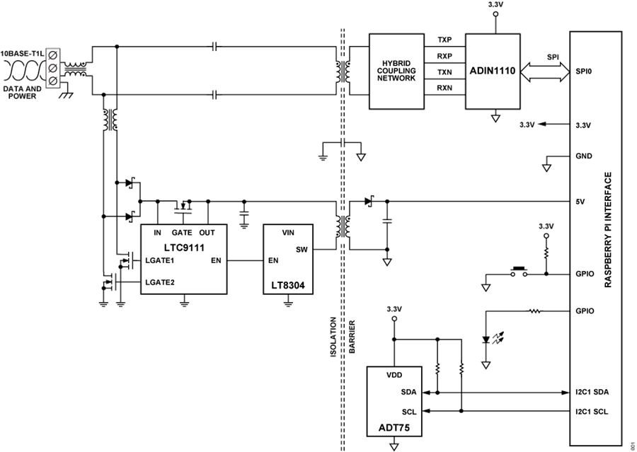
Blockdiagramm

Blockdiagramm - Analog Devices Inc. EVAL-CN0575-RPIZ Development Board

Evaluierung und Prüfung von Schaltungen

Dieser Abschnitt behandelt den Aufbau und die Vorgehensweise zur Evaluierung des Schaltungsevaluierungsboard CN0575 mit einem Raspberry Pi. Vollständige Details finden Sie im Benutzerhandbuch des EVAL-CN0575-RPIZ.

Benötigte Ausstattung

• EVAL-CN0575-RPIZ
  EVAL-ADIN1100-EBZ
• 24 V (Klasse 12) oder 55 V (Klasse 13) Stromversorgung
• Raspberry Pi Computer (Modell 3B+ oder höher)
• Host-PC (Windows/Linux/Mac)
• CN0575 Demo-Python-Skript
• Steckbarer Schraubklemmenanschluss
• Einpaarige Drähte mit max. 18 AWG
• Cat5e-Ethernetkabel mit RJ45-Steckern
• USB-A-zu-Micro-USB-B-Kabel

Erste Schritte
Vor der Prüfung muss der Raspberry Pi mit dem neuesten Kuiper Linux Image von ADI konfiguriert und auf die Verwendung des CN0575 Bauelementbaums eingestellt werden. Eine detaillierte Anleitung zur Einrichtung des Raspberry Pi finden Sie im EVAL-CN0575-RPIZ Benutzerhandbuch.

Einrichtung und Prüfung
Um eine 10BASE-T1L-Verbindung zu einem Raspberry Pi mit dem EVAL-CN0575-RPIZ herzustellen, gehen Sie wie folgt vor:

1. Verbinden Sie das EVAL-CN0575-RPIZ über den 40-poligen Schnittstellenanschluss-Steckverbinder mit dem Raspberry Pi.
2. Stellen Sie den Ausgang des DC-Netzteils entweder auf 24 V (Klasse 12) oder auf 55 V (Klasse 13) ein, je nach Einstellung von JP1 und JP2 am EVAL-CN0575-RPIZ.
3. Schrauben Sie ein Ende des einzelnen Adernpaars in die Anschlussklemme des EVAL-CN0575-RPIZ.
4. Schrauben Sie das andere Ende in den steckbaren Anschluss auf dem EVAL-ADIN1100-EBZ.
5. Schrauben Sie das andere Ende des verdrillten Paares in den 10BASE-T1L Verteiler des EVAL-ADIN1100-EBZ.
6. Verbinden Sie das EVAL-ADIN1100-EBZ über das Ethernet-Kabel und das Micro-USB-Kabel mit dem Host-PC.

Analog Devices Inc. EVAL-CN0575-RPIZ Development Board

7. Als Zeichen einer erfolgreichen Verbindung müssen die LINK-LED auf dem EVAL-CN0575-RPIZ und die LED_0-LED auf dem EVAL-ADIN1100-EBZ gleichzeitig aufleuchten und blinken.
8. Verwenden Sie auf dem Host-PC eine Fernzugriffssoftware (PuTTY, VNC-Viewer), um sich beim Raspberry Pi anzumelden und den Rechner zu steuern.
9. Öffnen Sie Python auf dem Remote-Host und führen Sie das CN0575-Beispiel-Skript aus, wie in Abb. 9 dargestellt. Die CPU-Temperatur und der ADT75 werden angezeigt, die integrierte ALERT-LED beginnt zu blinken und der Status der TEST-Taste wird angezeigt.

Analog Devices Inc. EVAL-CN0575-RPIZ Development Board
Veröffentlichungsdatum: 2023-06-02 | Aktualisiert: 2024-06-21