Analog Devices Inc. LT3942 Synchroner Auf-/Abwärtswandler
Der Analog Devices Inc. LT3942 synchrone Auf-/Abwärtswandler ist ein monolithischer synchroner Auf-/Abwärts-LED-Treiber mit vier Schaltern. Der Treiber kann mit Eingangsspannungen, die oberhalb, unterhalb oder gleich der Ausgangsspannung sind, den Strom der LED-Kette bis auf 34 V regeln. Das proprietäre Steuerschema des Spitzen-Abwärts-Spitzen-Aufwärts-Strommodus ermöglicht einen einstellbaren und synchronisierbaren Festfrequenzbetrieb von 300 kHz bis 2 MHz oder einen internen Dreiecks-Frequenzspreizungsbetrieb von 25 % für eine niedrige EMI. Mit einem Eingang von 3 V bis 36 V, einem Ausgang von 0 V bis 36 V und nahtlosen rauscharmen Übergängen zwischen Betriebsregionen eignet sich der LT3942 hervorragend für LED-Treiberapplikationen in Automotive-, Industrie- und batteriebetriebenen Systemen.Der LT3942 bietet mit einem optionalen High-Side-PMOS-Schalter eine Regelung des LED-Stroms mit bis zu 128:1 interner und 5.000:1 externer PWM-Verdunkelung. Der CTRL-Pin bietet mit einer LED-Stromregelung von ±2,5 % bei einem Skalenendwert von 100 mV eine flexible 20:1 analoge Verdunkelung. Ein robuster Fehlerschutz erkennt einen offenen oder kurzgeschlossenen LED-Zustand, bei dem der LT3942 erneut versucht, verriegelt oder weiter läuft.
Merkmale
- Die Einzelinduktivitäts-Architektur mit vier Schaltern ermöglicht eine VIN oberhalb, unterhalb oder gleich der VOUT
- Proprietärer Spitzen-Abwärts-Spitzen-Aufwärts-Strommodus
- Eingangsspannungsbereich: 3 V bis 36 V
- Ausgangsspannungsbereich: 0 V bis 36 V
- Ausgangsspannungsregelung: ±1,5 %
- LED-Stromregelung: ±3 %
- Externe 5.000:1 und interne 128:1 PWM-Verdunkelung
- Rail-to-Rail-LED-Strommessungs- und Überwachungsausgang
- Leiterunterbrechungs- und Kurzschluss-LED-Schutz mit Fehleranzeige
- Feste Schaltfrequenz von 300 kHz bis 2 MHz mit externer Frequenzsynchronisierung
- Flimmerfreie Frequenzspreizung für niedrige EMI
- In einem 28-Pin-QFN-Gehäuse (4 mm × 5 mm) verfügbar
Applikationen
- Universal-LED-Treiber
- Automotive- und Industriebeleuchtung
- Spannungsregler mit genauer Strombegrenzung
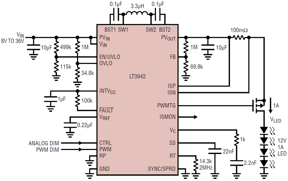
Typische Applikation
Veröffentlichungsdatum: 2019-11-07
| Aktualisiert: 2024-03-04
