Analog Devices Inc. LT6375 Spannungs-Differenzverstärker

Die LT6375 Spannungs-Differenzverstärker von Linear Technology/Analog Devices sind Differenzverstärker mit Verstärkungsfaktor Eins, die eine DC-Präzision, einen großen Gleichtaktbereichseingang und einen großen Versorgungsspannungsbereich kombinieren. Diese Verstärker umfassen einen Präzisions-Operationsverstärker mit Over-the-Top®-geschützten Eingängen, die einen robusten Betrieb in Umgebungen mit unvorhersehbaren Bedingungen gewährleisten. Die LT6375-Verstärker verfügen über ein gutes Gleichtaktunterdrückungsverhältnis (CMRR) einen geringen Gain-Fehler, einen präzise abgestimmten Dünnschichtwiderstand und eine niedrige Verstärkungsdrift. Zu den typischen Applikationen gehören Industrie-Datenerfassungs-Frontends, präzise Differenzverstärker, Ersatz für Trennschaltungen und Hoch-zu-Niederspannungspegelumsetzung.

Merkmale

  • ±270 V Gleichtaktspannungsbereich
  • CMRR von mind. 97 dB (LT6375A)
  • 0,0035 % (35 ppm) maximaler Gain-Fehler (LT6375A)
  • Offsetspannung von max. 300 µV (LT6375A)
  • Gain-Fehlerdrift von max. 1 ppm/°C
  • Verstärkungs-Nichtlinearität von max. 2 ppm
  • Großer Versorgungsspannungsbereich von 3,3 V bis 50 V
  • Spezifizierter Temperaturbereich von -40 °C bis 125 °C
  • Rail-to-Rail-Ausgang
  • 350 µA Versorgungsstrom
  • Wählbares Teilerverhältnis für internen Widerstand
  • Bandbreite von 575 kHz und -3 dB (Widerstandsteiler = 7)
  • Bandbreite von 375 kHz und -3 dB (Widerstandsteiler = 20)
  • Abschaltung bei geringer Leistung von 20 μA (nur DFN-Gehäuse)
  • Platzsparende MSOP- und DFN-Gehäuse

Applikationen

  • Industrie-Datenerfassungs-Frontends
  • Präzisionsdifferenzverstärker
  • Bidirektionale Stromsensoren mit großem Gleichtaktbereich
  • High-Side- oder Low-Side-Stromsensoren
  • Ersatz für Isolierungs-Schaltungen
  • Hoch-zu-Niederspannungspegelumsetzung

Typische Applikations-Schaltung

Applikations-Schaltungsdiagramm - Analog Devices Inc. LT6375 Spannungs-Differenzverstärker

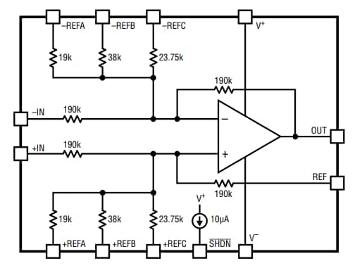
Blockdiagramm

Blockdiagramm - Analog Devices Inc. LT6375 Spannungs-Differenzverstärker
Veröffentlichungsdatum: 2018-10-04 | Aktualisiert: 2023-02-24