Analog Devices Inc. LT8204 Vollbrücken-/Dual-Halbbrücken-Controller
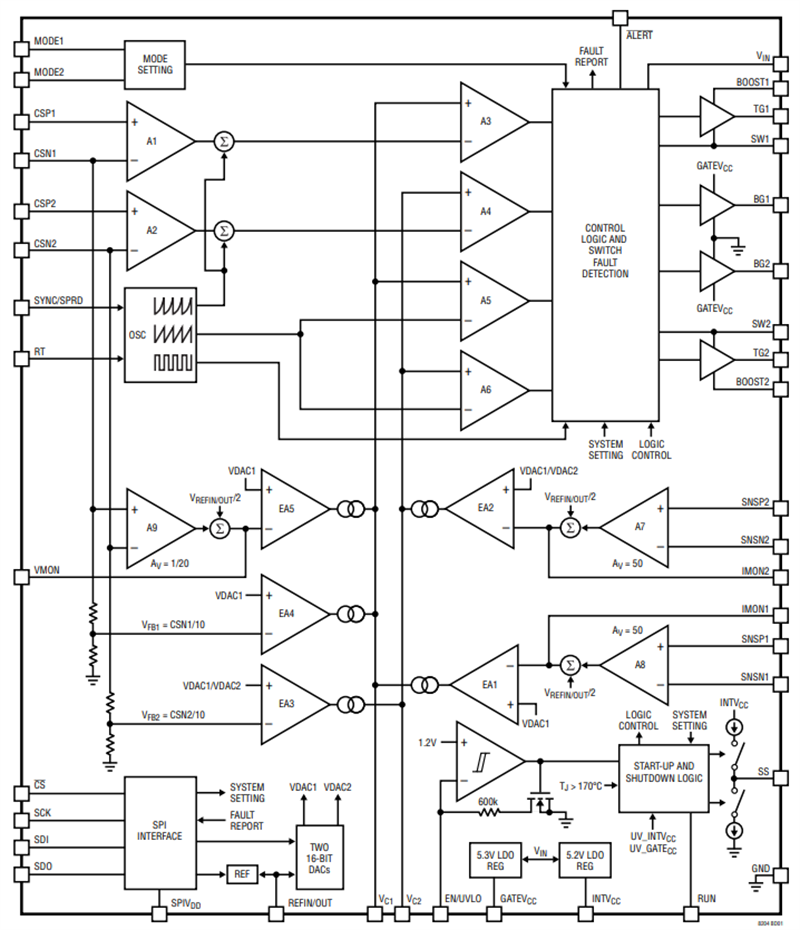
Analog Devices Inc. LT8204 Vollbrücken-/Dual-Halbbrücken-controller können als Vollbrücken-Controller mit vier Schaltern oder dual-Halbbrücken-Controller mit zwei Schaltern zur Regelung der Ausgangsspannung oder des Ausgangsstroms konfiguriert werden. Der LT8204 bietet zwei wählbare PWM-Steuerungsmethoden (d. h. Spitzenstrommodussteuerung und Spannungsmodussteuerung), um die Schleifenfrequenzkompensation für Anwendungen mit verschiedenen Lastarten (induktive, ohmsche oder kapazitive Lasten) zu erleichtern.Der LT8204 verfügt über duale bidirektionale Rail-to-Rail-Präzisions-Laststromwächter (200 μV VOS), Ausgangsspannungswächter und duale monotone 16-Bit-On-Chip-Digital-Analog-Wandler (DACs). Zusammen mit der seriellen Peripherieschnittstelle (SPI) kann der Ausgangsstrom oder die Spannung präzise während des Betriebs programmiert werden. Darüber hinaus überwacht der LT8204 von analog Devices den Systembetriebsstatus und meldet im Falle eines Ausfalls über die SPI-Schnittstelle (z. B. Verlust der Lastverbindung, Ausfall von externen MOSFET-Bauteilen).
Merkmale
- Vollbrücken- oder dual-Halbbrücke
- Duale bidirektionale Rail-to-Rail-Präzisionsstromwächter (200 μV VOS)
- Duale monotone 16-bit-on-chip-DACs
- 4-wire SPI mit Fehlererkennung und -korrektur
- 5,3 V Quad-n-Kanal-MOSFET-gate-Treiber
- Konfigurierbare Ausgangsstrom- oder Spannungsregelung
- Konfigurierbare PWM-Steuerungsmethoden für Schleifenstabilität
- Feste Schaltfrequenz mit SYNC und Frequenzspreizung
- Systemüberwachung und Fehlermeldung über eine SPI-Schnittstelle
- 38-Pin-TSSOP-Kunststoffgehäuse
- RoHs-konform
Applikationen
- Magnet- und induktive Lastregelung
- Aktive oder halbaktive Dämpfungssteuerung
- Thermoelektrische Kühlersteuerung (TEC)
- Vibrationssteuerung
Technische Daten
- 5,5 V bis 40 V Eingangsbereich
- 100 kHz bis 1 MHz fester Schaltfrequenzbereich
- 10 mA maximaler Ruhestrom (nicht schaltend), 5 mA typ.
- 500 µA Typischer Standby-Strom
- Maximaler Abschaltstrom von 2 µA, 1 µA (typisch)
- Sperrschicht-Betriebstemperaturbereich: -40 °C bis +150 °C
Typische Applikation
Blockdiagramm
Veröffentlichungsdatum: 2023-08-25
| Aktualisiert: 2023-08-30
