Analog Devices Inc. LT8228 Bidirektionaler Buck/Boost Controller
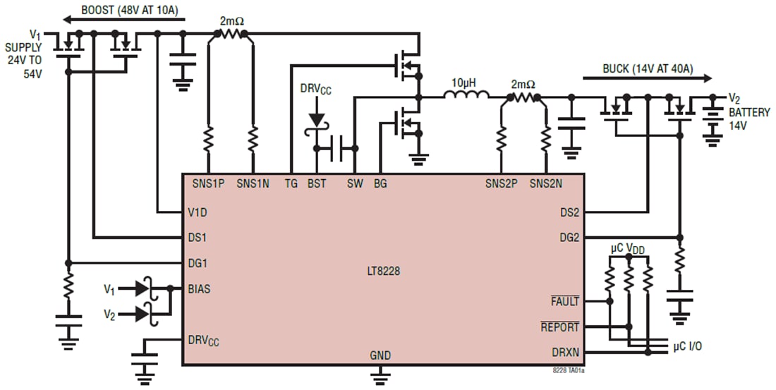
Der Analog Devices Inc. LT8228 bidirektionale Buck/Boost Controller ist ein synchroner 100-V-Konstantstrom- oder Konstantspannungs-Buck oder Boost Controller mit einem unabhängigen Kompensationsnetzwerk. Die Richtung des Stromflusses wird automatisch vom LT8228 festgelegt oder extern gesteuert. Die Eingangs- und Ausgangsschutz-MOSFETs schützen vor negativen Spannungen, regeln Einschaltströme und bieten bei Fehlerbedingungen, wie z. B. bei Schalt-MOSFET-Kurzschlüssen, eine Isolierung zwischen den Anschlüssen. Im Buck-Modus verhindern die Schutz-MOSFETs am V1-Anschluss einen Sperrstrom. Im Boost-Modus regeln die gleichen MOSFETs den Ausgangs-Einschaltstrom und werden mit einem einstellbaren Timer-Leistungsschalter geschützt.Der LT8228 bietet eine bidirektionale Eingangs- und Ausgangsstrombegrenzung sowie eine unabhängige Stromüberwachung. Eine fehlertolerante Stromaufteilung ohne Master ermöglicht das Hinzufügen oder Abziehen aller parallelgeschalteten LT8228s unter Beibehaltung der Genauigkeit der Stromaufteilung. Die FAULT- und REPORT-Pins ermöglichen eine interne und externe Fehlerdiagnose und -meldung. Der LT8228 ist in einem 38-Pin-TSSOP-Gehäuse verfügbar.
Merkmale
- Bidirektionale Strom- oder Spannungsregelung
- Bidirektionaler Sperrstromschutz
- Negativer Eingangs- und Ausgangsspannungsschutz bis -60 V
- Bidirektionale Einschaltstrombegrenzung und Boost-Ausgangs-Kurzschluss-Sicherung
- Kurzschlusserkennung und -sicherung von Schalt-MOSFET
- Gate-Drive: 10 V
- Großer Eingangs- und Ausgangsspannungsbereich von bis zu 100 V
- Rückkopplungsspannungtoleranz: ±1,0 % über Temperatur
- Bidirektionale programmierbare Stromregelung und -überwachung
- Umfassender Selbsttest, Diagnosefunktionen und Fehlermeldung
- Programmierbare feste oder synchronisierbare Schaltfrequenz von 80 kHz bis 600 kHz
- Programmierbarer Soft-Start und dynamische Strombegrenzung
- Masterlose, fehlertolerante Stromaufteilung
Applikationen
- Dual-Batterie-Automotive- und Industriesysteme
- Hochleistungs-System-Backup und Versorgungsstabilisierung
- „N+1“-redundante Netzteile mit hoher Zuverlässigkeit
- Schutzsystem für Stromunterbrechung
Videos
Typische Applikation
Veröffentlichungsdatum: 2019-11-26
| Aktualisiert: 2025-02-17
