Analog Devices Inc. LT8386 Synchroner LED-Aufwärtstreiber
Der Analog Devices LT8386 synchrone LED-Aufwärtstreiber ist ein monolithischer DC/DC-Aufwärtswandler, der eine Festfrequenz- und Spitzenstromsteuerung nutzt. Das Bauteil bietet eine PWM-Verdunkelung für eine Kette von LEDs. Der LED-Strom wird durch eine analoge Spannung oder das Tastverhältnis von Impulsen am CTRL-Pin programmiert. Der LT8386 wird eine Stromregelung von 2 % über einen externen Messwiderstand über eine große Auswahl von Ausgangsspannungen aufrecht erhalten.Der LT8386 verfügt über eine Silent Switcher®-Technologie, die zur Reduzierung von EMI-/EMV-Emissionen mit hohem Wirkungsgrad ausgelegt ist. Die Schaltfrequenz ist von 200 kHz bis 2 MHz über einen externen Widerstand am RT-Pin oder einen externen Taktgeber am SYNC-/SPRD-Pin programmierbar. Wenn die optionale Frequenzspreizungsmodulation aktiviert ist, variiert die Frequenz von 100 % bis 125 %, um die EMI zu reduzieren.
Der LT8386 von Analog Devices enthält einen Treiber für einen externen High-Side-PMOS für die PWM-Verdunkelung. Der mit 60 V eingestufte LT8386 ist mit dem LT3922 und LT3922-1 Pin-zu-Pin-kompatibel.
Merkmale
- LED-Stromregelung von 2 %
- Ausgangsspannungsregelung von 2,5 %
- 5000:1-PWM-Verdunkelung bei 100 Hz
- Interne 512:1-PWM-Verdunkelung
- Frequenzspreizungsmodulation
- Silent Switcher-Architektur für extrem niedrige EMI
- Wird im Aufwärts-, Abwärts- und Abwärts-Aufwärts-Modus betrieben
- Eingangsspannungsbereich: 4 V bis 56 V
- Bis 52 V LED-Ketten-Spannung
- Adaptive Spitzenschaltstrombegrenzung von bis zu 5 A für niedrige VIN
- 200 kHz bis 2 MHz mit SYNC-Funktion
- Analoge oder Tastverhältnis-LED-Stromsteuerung
- Schutz gegen offene LEDs und Kurzschluss mit Fehleranzeige
- 28-Pin-LQFN-Gehäuse von 4 mm × 5 mm
- AEC-Q100-qualifiziert für Fahrzeuganwendungen
Applikationen
- Automotive- und Industriebeleuchtung
- Frontscheibenanzeige (Head-Up-Display, HUD)/Machine Vision
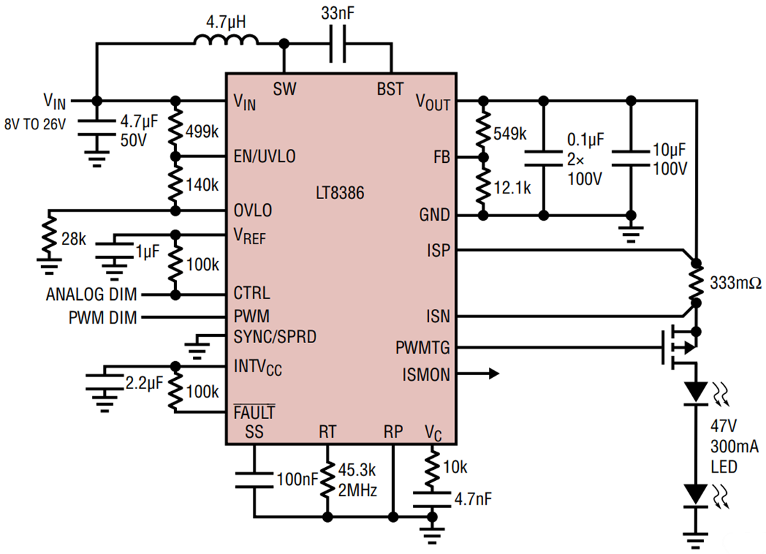
Typische Applikation
Veröffentlichungsdatum: 2021-07-09
| Aktualisiert: 2022-03-11
