Analog Devices Inc. LT8650S Synchroner Abwärts-Silent-Switcher 2

Analog Devices Inc. LT8650S Synchroner Abwärts-Silent-Switcher 2 ist ein Zweikanal-Abwärtsregler mit einem großen Eingangsspannungsbereich von 3 V bis 42 V, der sich hervorragend für Fahrzeuganwendungen, Industrie- und weitere Abwärts-Applikationen eignet. Der LT8650S verfügt über einen niedrigen Ruhestrom von 6,2 µA mit geregelten Ausgängen. Dies ist eine wichtige Funktion in Automotiveumgebungen, in denen Systeme, die ständig eingeschaltet sind, die Batterie auch dann entladen können, wenn das Auto nicht fährt.Die Silent Switcher®2-Architektur des LT8650S reduziert die EMI-Emissionen und bietet gleichzeitig einen hohen Wirkungsgrad bei hohen Schaltfrequenzen. Dazu gehört die Integration von Bypass-Kondensatoren zur Optimierung von Hochfrequenz-Stromschleifen und zur Erzielung der angegebenen EMI-Leistung durch Eliminierung der Layoutempfindlichkeit.

Der LT8650S liefert bis zu 4 A Dauerstrom von beiden Kanälen und unterstützt Lasten von bis zu 6 A von jedem Kanal. Die schnellen, sauberen und überschwingungsarmen Schaltflanken ermöglichen einen hocheffizienten Betrieb auch bei hohen Schaltfrequenzen, was zu einer geringen Gesamtlösungsgröße führt. Die Spitzenstrommodussteuerung mit einer minimalen Einschaltdauer von 40 ns ermöglicht hohe Untersetzungsverhältnisse bei hohen Schaltfrequenzen.

Der Burst-Modus führt zu einem hohen Wirkungsgrad bei niedrigen Ausgangsströmen, der erzwungene Dauerbetrieb ermöglicht einen Betrieb mit fester Schaltfrequenz über den gesamten Ausgangslastbereich und der Frequenzspreizungs-Betrieb kann die EMI-Emissionen weiter reduzieren. Externe VC-Pins ermöglichen eine optimale Schleifenkompensation für ein schnelles Einschwingverhalten. Die VC-Pins können auch zur Stromaufteilung verwendet werden, und der CLKOUT-Pin ermöglicht die Synchronisation von zwei LT8650S-Chips, um eine 4-phasige 16-A-Versorgung zu erzeugen.

Merkmale

  • Silent Switcher 2 Architektur
    • Ultra-niedrige EMI auf jeder PCB eliminiert die Empfindlichkeit des PCB-Layouts
    • Interne Bypass-Kondensatoren reduzieren abgestrahlte EMI
    • Optionale Frequenzspreizungsmodulation
  • 4 A DC von jedem Kanal gleichzeitig
  • Bis zu 6 A auf beiden Kanälen
  • Betrieb im BurstMode® mit extrem niedrigem Ruhestrom
    • 6,2 μA IQ reguliert von 12 VIN auf 5 VOUT1 und 3,3 VOUT2
    • Ausgangswelligkeit: <10 mVP-P
  • Optionaler externer VC-Pin: Schnelles Einschwingverhalten und Stromaufteilung (zusätzlich 50 µA IQ/Kanal)
  • Erzwungener kontinuierlicher Modus
  • Hoher Wirkungsgrad bei Hochfrequenz
  • 94,6 % Wirkungsgrad bei 2 A, 5 VOUT von 12 VIN bei 2 MHz
  • 93,3 % Wirkungsgrad bei 4 A, 5 VOUT von 12 VIN bei 2 MHz
  • Schnelle Mindest-Einschaltzeit: 40 ns
  • Großer Eingangsspannungsbereich: 3,0 V bis 42 V
  • Einstellbar und synchronisierbar: 300 kHz bis 3 MHz
  • Gehäusetyp: LQFN-32
  • Gehäuseabmessungen: 4 mm x 6 mm
  • RoHS- und WEEE-konform

Applikationen

  • Universal-Abwärtswandler
  • Industrie- und Automotive-Netzteile

Videos

UMFASSENDE STROMVERSORGUNGSDESIGNS FÜR RAUE AUTOMOTIVE-UMGEBUNGEN

Stromversorgungen für Fahrzeuganwendungen müssen in rauen Umgebungen ohne Unterbrechung arbeiten — der Designer muss alle Gegebenheiten, einschließlich Lastabfall, Kaltstart, Batterie-Umpolung, doppelte Batterie-Jumps, Spitzen und andere Transienten, die in LV 124, ISO 7637-2, ISO 17650-2 und TL82066 definiert sind, berücksichtigen. Darüber hinaus sind noch weitere Faktoren, wie z. B. die mechanische Vibration, das Rauschen und die extrem großen Temperaturbereiche usw. zu beachten. Dieser Artikel befasst sich mit den kritischen Anforderungen von Stromversorgungsspezifikationen und -lösungen in Fahrzeuganwendungen zur Erfüllung der Automotive-Spezifikationen.

Mehr erfahren

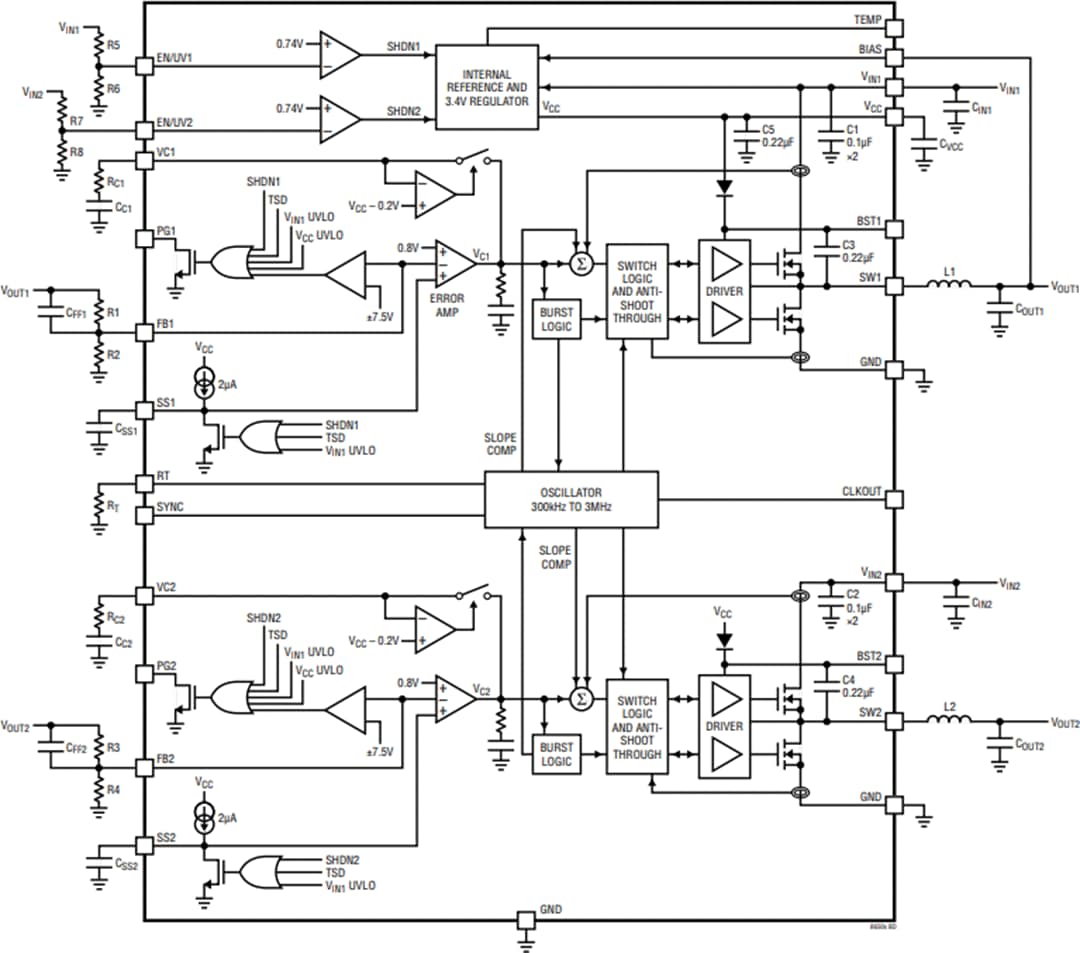
Blockdiagramm

Blockdiagramm - Analog Devices Inc. LT8650S Synchroner Abwärts-Silent-Switcher 2

Typische Applikations-Schaltung

Applikations-Schaltungsdiagramm - Analog Devices Inc. LT8650S Synchroner Abwärts-Silent-Switcher 2
Veröffentlichungsdatum: 2019-05-22 | Aktualisiert: 2025-06-03