Analog Devices Inc. LTC2975 Vierkanal-PMBus™-Leistungssystemmanager

Analog Devices Inc. LTC2975 Vierkanal-PMBus-™ -Leistungssystemmanager (PSMs) sind zum Sequenzieren, Trimmen (Servo), Begrenzen, Überwachen, Verwalten von Fehlern, Bereitstellen von Telemetrie und Erstellen von Fehlerprotokollen ausgelegt. Diese digitalen PSMs mit PMBus-konformen Befehlssätzen unterstützen die Stromversorgungs-Sequenzierung, die präzise Einstellung von Lastpunktspannungen und das Margining. Ein programmierbares Fehlerverhalten kann die Stromversorgungen mit optionalem Wiederherstellungsversuch nach Erkennung eines Fehlers sperren. Die Fehler, welche die Stromversorgungen deaktivieren, können den Black-Box-EEPROM-Speicher des Fehlerstatus und der dazugehörigen Telemetrie automatisch auslösen. Die LTC2975 PSMs verfügen über einen internen 16-Bit-Analog-Digital-Wandler (ADC), der vier Ausgangsspannungen, vier Ausgangsströme, vier externe Temperaturen, die Eingangsspannung, den Eingangsstrom und die Chip-Temperatur überwacht. Zu den typischen Applikationen gehören Computer, Netzwerkserver, Industrie-Test-/Messgeräte, Video-/medizinische Bildgebung und Systeme mit hoher Zuverlässigkeit.

Merkmale

  • Sequenzieren, Trimmen, Begrenzen und Überwachen von 4 x Netzteilen
  • Fehler verwalten, Telemetrie überwachen und Fehlerprotokolle erstellen
  • Koordiniert Sequenzierung und Fehlermanagement über mehrere LTC-PSM-Bauteile
  • PMBus-konformer Befehlssatz
  • Unterstützt von der LTpowerPlay® GUI
  • Automatische Fehlerprotokollierung zu internem EEPROM
  • Eigenständiger Betrieb ohne zusätzliche Software
  • Begrenzung oder Trimmen von Versorgungen bis zu 0,25 % des Ziels
  • Überwachung des Eingangsstroms (±1 %) und Akkumulation von Energie
  • Schnelle OV-/UV- und OC-Wächter pro Kanal
  • Externe Temperatur- und Eingangsspannungswächter
  • Genaue Überwachung von 4 Ausgangsspannungen, 4 Ausgangsströmen, 4 externen Temperaturen, Eingangsspannung, Eingangsstrom und interner Chip-Temperatur
  • Serielle I2C-/SMBus-Schnittstelle
  • Kann von 3,3 V oder 4,5 V bis 15 V betrieben werden
  • Pin-kompatibel mit LTC2974
  • Erhältlich in einem 64-Pin-QFN-Gehäuse von 9 mm × 9 mm

Applikationen

  • Computer und Netzwerkserver
  • Industrie-Prüf- und Messtechnik
  • Video und medizinische Bildgebung
  • Systeme mit hoher Zuverlässigkeit

Typische Applikations-Schaltung

Applikations-Schaltungsdiagramm - Analog Devices Inc. LTC2975 Vierkanal-PMBus™-Leistungssystemmanager

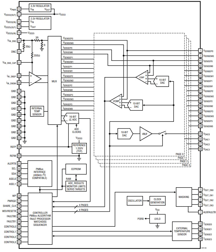
Blockdiagramm

Blockdiagramm - Analog Devices Inc. LTC2975 Vierkanal-PMBus™-Leistungssystemmanager

Weitere Ressourcen

FPGA-Leistungssystemmanagement

FPGAs verteilen sich auf alle Arten von elektronischen Systemen, übernehmen sogar die Aufgaben von ASICs, sind jedoch von einem komplizierten Stromversorgungssystem umgeben. Analog Devices verfügt über eine große Auswahl von DPSM-Produkten zur Verwaltung dieser Komplexität.

Mehr erfahren

 

Strommessung mit PMBus-Digital-Leistungssystem-Managern — Teil 1

Mehr erfahren

Veröffentlichungsdatum: 2020-02-25 | Aktualisiert: 2025-03-25