Analog Devices Inc. LTC3871 PolyPhase®-Controller
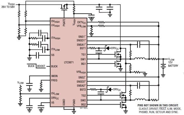
Linear Technology/Analog Devices LTC3871 Bidirektionale synchrone PolyPhase®-Controller sind leistungsstarke, bidirektionale Zweiphasen-Controller mit 100 V/30 V, die je nach Bedarf im Abwärts- oder Aufwärts-Modus betrieben werden können. Im Abwärtsmodus regelt der LTC3871 VHIGH zu VLOW und im Aufwärtsmodus von VLOW zu VHIGH je nach Steuersignal. Aufgrund dieser Regelungsfunktionen eignen sich die LTC3871 Controller ideal für Automotive-Doppelbatteriesysteme. Die Controller regeln über eine genaue Stromprogrammierschleife den maximalen Strom, der jeweils in beide Richtungen geliefert werden kann. Die Strompogrammierschleife ermöglicht beiden Batterien, gleichzeitig Energie an die Last zu liefern, indem sie Energie von einer Batterie zur anderen umwandelt. Mit einer proprietären Konstantfrequenz- und Strommodusarchitektur verbessert der LTC3871 das Signal-Rausch-Verhältnis. Dieses verbesserte Signal-Rausch-Verhältnis ermöglicht einen rauscharmen Betrieb und liefert eine hervorragende Stromanpassung zwischen den Phasen. Weitere Merkmale des LTC3871 umfassen einen ununterbrochenen oder unterbrochenen Betrieb, OV/UV-Wächter, eine genaue Ausgangsstromüberwachung, eine unabhängige Schleifenkompensation für Abwärts- und Aufwärtsbetrieb sowie Überstromschutz.Merkmale
- Die einzigartige Architektur erlaubt eine dynamische Regelung der Eingangsspannung, Ausgangsspannung oder des Stroms
- VHIGH-Spannungen bis 100 V
- VLOW-Spannungen bis 30 V
- Synchrone Gleichrichtung: bis zu 97 % Wirkungsgrad
- LTC-proprietäre hochentwickelte Strommodussteuerung
- ±1 % Spannungsregelungsgenauigkeit über Temperatur
- Präzise, programmierbare Ausgangsstromüberwachung und Regelung für sowohl Abwärts- als auch Aufwärtsbetrieb
- Wählbare Abwärts- und Aufwärts-Strommessgrenzen
- Programmierbare DRVCC/EXTVCC optimiert den Wirkungsgrad
- Programmierbare VHIGH-UV- und OV-Schwellwerte
- Programmierbare VLOW-OV-Schwellwerte
- Phasengekoppelte Frequenz: 60 kHz bis 460 kHz
- Mehrphasen-/Multi-IC-Betrieb bis zu 12 Phasen
- Wählbare CCM/DCM-Modi
- Thermisch verbessertes 48-Pin-LQFP-Gehäuse
Applikationen
- 48V/12V-Automobil-Dual-Batteriesysteme
- Back-Up-Energiesysteme
Diagramm typischer Applikationen
Creating a Dual-Output Voltage Rail with Source and Sink Capability for ATE Applications
This article describes a technique for producing dual-output voltage rails that deliver positive and negative rails for a device power supply (DPS) with only one bidirectional power supply. The conventional way of supplying power to DPS uses two bidirectional power supplies, one for the positive rail and one for the negative rail, which is bulky and expensive. This method offers an alternative to the traditional approach, resulting in a more compact and cost-effective solution.
Veröffentlichungsdatum: 2017-04-28
| Aktualisiert: 2025-07-08
