Analog Devices Inc. LTC4283 Hot-Swap-Controller mit negativer Spannung
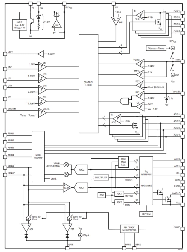
Analog Devices LTC4283 Hot-Swap-Controller mit negativer Spannung steuern einen externen n-Kanal-MOSFET an, der das sichere Einsetzen und Entfernen einer Leiterplatte von einer unter Spannung stehenden Backplane ermöglicht. Die Bauteile verfügen über programmierbare Strombegrenzungen mit Foldback und unabhängig voneinander einstellbare Einschaltströme zur Optimierung des MOSFET-sicheren Beriebsbereichs (SOA). Der SOA-Timer begrenzt MOSFET-Temperaturanstiege für einen zuverlässigen Schutz gegen übermäßige Belastungen. Eine I2C-Schnittstelle und ein On-Board-Gangschaltungs-Analog-Digital-Wandler (ADC) ermöglichen die Überwachung des Stroms, der Spannung, Leistung, Energie und des Fehlerzustands des Boards.Merkmale
- Ermöglicht das sichere Einsetzen in unter Spannung stehende -48-V-Backplanes
- Schützt MOSFET mit SOA-Timer
- Programmierbare Strombegrenzungssensor-Spannung von 15 mV bis 30 mV mit einer Genauigkeit von 2 % und einem einstellbaren Foldback
- 8-Bit- bis 16-Bit-Gangschaltungs-ADC mit einer Genauigkeit von 0,5 %
- Überwacht Spannungen, Ströme, Leistung und Energie
- Nichtflüchtige Konfiguration und Fehleraufzeichnung
- Potenzialfreie Topologie für einen robusten Hochspannungsbetrieb
- Wählbare Einschaltstromsteuerung: dV/dt oder Strombegrenzung
- I2C/SMBus- oder Einzeldraht-Übertragungsschnittstellen
- Aufzeichnung der Mindest-/maximalen ADC-Messungen mit Warnmeldungen
- Neustart nach I2C-Befehl mit programmierbarer Verzögerung
- Einstellbare Eingangs-UV/OV-Schwellwerte und Hysterese
- 38-Pin-QFN-Gehäuse von 5 mm × 7 mm
Applikationen
- Telekommunikationsinfrastruktur
- Verteilte Stromversorgungssysteme von –48 V
- Server und Rechenzentren
- Leistungsmonitore
Blockdiagramm
Veröffentlichungsdatum: 2019-07-18
| Aktualisiert: 2024-03-04
