Analog Devices Inc. LTC4417 Priorisierte PowerPath™-Controller
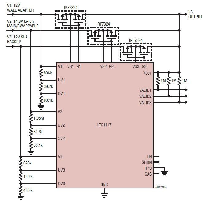
Linear Technology/Analog Devices LTC4417 Priorisierte PowerPath™-Controller verbinden eines von drei gültigen Netzteilen mit einem gemeinsamen Ausgang basierend auf der Priorität. Die Priorität wird durch die Pinbelegung definiert, wobei V1 die höchste Priorität und V3 die niedrigste Priorität hat. Ein Netzteil ist als gültig definiert, wenn seine Spannung für mindestens 256 ms kontinuierlich im Überspannungs-(OV)- und Unterspannungs-(UV)-Fenster war.Merkmale
- Wählt die höchste Priorität aus drei Eingängen aus
- Blockiert den Rückstrom und Querleitungsstrom
- Breiter Betriebsspannungsbereich: 2,5 V bis 36 V
- -42 V Schutz gegen umgekehrten Batterieanschluss
- Der schnelle Wechsel minimiert den Ausgangsspannungsabfall
- Niedriger Betriebsstrom von 28 μA
- <1 μA Stromaufnahme von Versorgungen niedriger als die VOUT
- 1,5 % Eingangsüberspannungsschutz/Unterspannungsschutz
- Einstellbare Überspannungs-/Unterspannungshysterese
- P-Kanal-MOSFET-Gate-Schutzklemme
- Kaskadierbar für zusätzliche Eingangsversorgungen
- Schmales 24-Pin-SSOP- und 4x4mm-QFN-Gehäuse
Applikationen
- Tragbare industrielle Geräte
- Hochverfügbare Systeme
- Batteriebackupsysteme
- Server und Peripheriegeräte für Computer
Blockdiagramm
Veröffentlichungsdatum: 2017-04-25
| Aktualisiert: 2025-10-01
