Analog Devices Inc. LTC7061 100-V-Halbbrückentreiber

Analog Devices Inc. Die 100-V-Halbbrücken-Treiber LTC7061 treiben zwei n-Kanal-MOSFETs in einer Halbbrücken-Konfiguration mit Versorgungsspannungen von bis zu 100 V an. Sowohl High-Side- als auch Low-Side-Treiber des LTC7061 können die MOSFETs mit einer anderen Erdungsreferenz ansteuern und bieten eine ausgezeichnete Rausch- und Transientenimmunität.

Die LTC7061 100-V-Halbbrücken-Treiber von ADI bieten einen leistungsstarken Pull-Down von 0,8 Ω und ull-up-MOSFET-Treiber von 1,5 Ω, die Hochspannungs-MOSFETs mit hoher Gate-Kapazität ermöglichen. Zusätzliche Funktionen umfassen UVLO, TTL-/CMOS-kompatible Eingänge, einstellbare Einschalt-/Ausschalt-Verzögerungen und Durchzündungsschutz.

Merkmale

  • Einzigartige symmetrische potentialfreie Gate-Treiber-Architektur
  • Hohe Rauschimmunität, toleriert einen Masseunterschied von ±10 V
  • Maximale Eingangsspannung von 100 V unabhängig von der IC-Versorgungsspannung VCC
  • Betriebsspannung: 5 V bis 14 V VCC
  • Gate-Treiber-Spannung: 4 V bis 14 V
  • Pull-Down von 0,8 Ω, Pull-up von 1,5 Ω für ein schnelles Ein-/Ausschalten
  • Adaptiver Durchzündungsschutz
  • Einstellbare Totzeit
  • TTL- und CMOS-kompatible Eingänge
  • VCC UVLO/OVLO und UVLO mit potentialfreien Versorgungen
  • Steuert Dual-n-Kanal-MOSFETs an
  • Open-Drain-Fehleranzeige (VCC UVLO/OVLO, Gate-Treiber-UVLO und thermische Abschaltung)
  • Erhältlich in thermisch verbessertem 12-Pin-MSOP
  • AEC-Q100-Qualifikation für Fahrzeuganwendungen noch ausstehend

Applikationen

  • Automotive- und Industrie-Leistungssysteme
  • Telekommunikations-Leistungssysteme
  • Halb- und Vollbrücken-Wandler

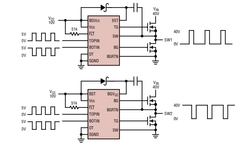
Typische Applikation

Applikations-Schaltungsdiagramm - Analog Devices Inc. LTC7061 100-V-Halbbrückentreiber
Veröffentlichungsdatum: 2021-03-16 | Aktualisiert: 2022-03-11