Analog Devices Inc. LTC7803 Synchrone Abwärtsregler
Die LTC7803 synchronen Abwärtsregler von Analog Devices Inc. sind leistungsstarke synchrone DC/DC-Abwärtsschaltregler-Controller, die ein Tastverhältnis von 100 % unterstützen und eine n-Kanal-Leistungs-MOSFET-Stufe ansteuern. Die Synchrongleichrichtung erhöht den Wirkungsgrad, verringert Leistungsverluste und vereinfacht die thermischen Anforderungen. Eine Konstantfrequenz-Strommodus-Architektur ermöglicht eine phasenstarre Schaltfrequenz von bis zu 3 MHz. Die LTC7803 synchronen Abwärtsregler von Analog Devices werden über einen großen Eingangsversorgungsbereich von 4,5 V bis 40 V betrieben.Die Betriebslaufzeit in batteriebetriebenen Systemen wird mit einem niedrigen Nulllast-Ruhestrom verlängert. Die OPTI-LOOP®-Kompensation ermöglicht die Optimierung des Einschwingverhaltens über eine große Auswahl von Ausgangskapazitäts- und ESR-Werten. Der MODE-Pin wählt zwischen einem Burst-Modus-Betrieb, einem impulsüberspringenden Modus oder einem kontinuierlichen Induktivitäts-Strommodus bei leichten Lasten aus. Darüber hinaus verfügt der LTC7803 über einen Frequenzspreizungsbetrieb, der das abgestrahlte und leitungsgeführte Rauschen auf sowohl der Eingangs- als auch Ausgangsversorgung erheblich reduziert und dadurch die Einhaltung der EMI-Standards (elektromagnetische Störung) vereinfacht.
Merkmale
- 12µA (14V VIN to 3.3V VOUT) low operating IQ
- Großer Eingangsspannungsbereich: 4,5 V bis 40 V
- Ausgangsspannung: bis zu 40 V
- Frequenzspreizungsbetrieb
- RSENSE oder DCR-Strommessung
- Fähig zu Pass-Thru™/100 % Tastverhältnis
- Betrieb mit Tastverhältnis von 100 %
- Programmierbarer Festfrequenzbereich: 100 kHz bis 3 MHz
- Phasenstarrer Frequenzbereich: 100 kHz bis 3 MHz
- Wählbarer Dauerbetrieb, impulsüberspringender oder Burst Mode®-Betrieb mit niedriger Welligkeit bei leichten Lasten
- 1,2 μA Niedriger Abschalt-IQ
- Thermisch verbesserte 16-Pin-QFN- und MSOP-Gehäuse von 3 mm × 3 mm
- AEC-Q100-Qualifizierung ausstehend
Applikationen
- Fahrzeuganwendungen und Transportwesen
- Industrie
- Militär/Avionik
- Telekommunikation
Videos
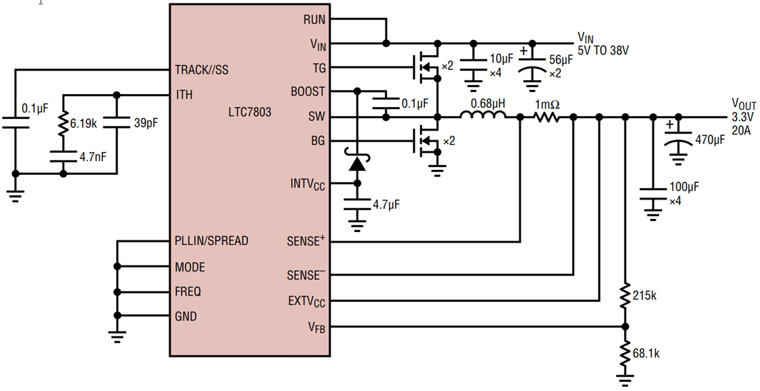
Typische Applikation
Veröffentlichungsdatum: 2020-06-05
| Aktualisiert: 2024-10-07
