Analog Devices Inc. LTC7840 Boost Controller
Die LTC7840 Boost Controller von Analog Devices/Linear Technology sind nichtsynchrone Controller mit 2-Phasen-Dualausgang, Konstantfrequenz-Strom-Modus und Hiccup-Modus. Diese Boost Controller arbeiten in einem Eingangsversorgungsspannungsbereich von 5,5 V bis 60 V. Die LTC7840 Boost Controller können für SEPIC- und Flyback-Topologien konfiguriert werden. Diese Controller verfügen über eine präzise interne Referenz von 1,2 V. Die LTC7840 Controller enthalten einen internen 10-V-LDO mit Unterspannungssperre für ihren On-Chip-Gate-Treiber. Diese Boost Controller sind in einem 28-poligen thermisch optimierten TSSOP- oder einem 28-poligen QFN-Gehäuse erhältlich. Zu den Applikationen gehören Automotive- und Telekommunikations-Systeme sowie industrielle Netzteile.Merkmale
- Großer VIN-Bereich von 5,5 V bis 60 V
- Konfigurierbar für zweiphasigen Einzel-/Dual-Ausgang-Betrieb
- Spitzenstrom-Modussteuerung mit glattem quadratischem Neigungsausgleich und dynamischer Neigungs-Wiederherstellung
- Ein einstellbares maximales Tastverhältnis
- Einstellbare minimale Einschaltzeit
- Hiccup-Modus für Überstromschutz
- Einstellbare Strommessungsbegrenzung
- Ausgangsüberspannungsschutz
- Programmierbare und phasenstarr verriegelbare Betriebsfrequenz (von 50 kHz bis 425 kHz)
- Einstellbarer Soft-Start-Stromanstieg
- ±1 % interne Spannungsreferenz
- Interner 10V-LDO-Regler für einen Gate-Treiber
- Zwei RUN-Pins und Dual-Power-Good-Monitore
- Flexible Topologie für Aufwärts, SEPIC und Flyback
Applikationen
- Automotive-System
- Telekommunikationssystem
- Industrienetzteile
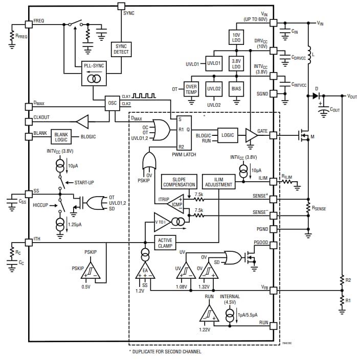
LTC7840 Blockdiagramm
LTC7840 Typische Applikations-Schaltung
Wirkungsgrad vs. Ausgangsstrom-Eigenschaften
Weitere Ressourcen
Veröffentlichungsdatum: 2018-12-20
| Aktualisiert: 2023-02-14
