Analog Devices Inc. LTC7878 4 Regler Auf-/Abwärtswandler

Der Analog Devices Inc. LTC7878 4-Switch Auf-/Abwärtswandler ist ein Hochleistungs-Schaltregler, der mit einer Eingangsspannung oberhalb, unterhalb oder gleich der Ausgangsspannung arbeitet. Eine Architektur mit konstanter Frequenz und Spitzenstrommodus ermöglicht eine phasenverriegelbare Schaltfrequenz von bis zu 600kHz. Die programmierbare Eingangs-/Ausgangsstromschleife regelt den durchschnittlichen Eingangs-/ Ausgangsstrom, um Anwendungen zum Laden von Batterien präzise zu unterstützen. Der LTC7878 bietet einen weiten Eingangs-/Ausgangsbereich von 5V bis 70V und nahtlose, rauscharme Übergänge zwischen den Betriebsbereichen. Aus diesem Grund eignet sich dieser ideal für Industrie- und Telekommunikationssysteme.

Das LTC7878 arbeitet im Forced-Continuous-Modus (FCM)/ Pulse-Skipping-Modus und unterstützt den Parallelbetrieb von Multiphasen-/ Multi-ICs für Applikationen mit einer hohen Leistung. Der Niedrigprofil-Regler im 32-poligen QFN-Gehäuse verfügt über eine programmierbare Induktivität-Strombegrenzung, eine intelligente EXTV CC-Hilfsversorgung und einem 7 V N-Kanal-Gate-Treiber. Ein PGOOD-Pin zeigt an, wenn der Ausgang innerhalb von 10 % seines Sollwerts liegt.

Merkmale

  • Die Induktivitäts-Architektur ermöglicht ein VIN über, unter oder gleich des geregelten VOUT
  • Synchrongleichrichtung mit bis zu 98 % Wirkungsgrad
  • Breiter 5 V bis 70 V VIN Bereich
  • ±1 % Ausgangs-Spannungs-Genauigkeit (1 V ≤ VOUT ≤ 70 V)
  • DCR- oder RSENSE-Stromsensoren
  • Spitzenstromregelung im Buck-/ Boost-/ BuckBoost-Modus
  • Programmierbare Eingangs- oder Ausgangsstromregelung
  • 7 V NMOS Gate-Treiber
  • Phasenverriegelbare Frequenz (100kHz bis 600kHz)
  • Parallelbetrieb von Multiphasen/ Multi-ICs
  • Wählbarer kontinuierlicher oder Puls-Skipping-Modus
  • Betriebs- und Induktivitäts-Spitzenstrombegrenzungen
  • Kleines 32-lead 5 mm 2 QFN-Gehäuse
  • -40 °C bis +125 °C Sperrschicht-Betriebstemperatur-Bereich

Applikationen

  • Industrie- und Telekommunikationssysteme
  • Verteilte DC-Leistungs- oder Batterie-Systeme

Typische Applikation

Applikations-Schaltungsdiagramm - Analog Devices Inc. LTC7878 4 Regler Auf-/Abwärtswandler

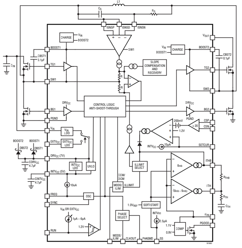
Blockdiagramm

Blockdiagramm - Analog Devices Inc. LTC7878 4 Regler Auf-/Abwärtswandler
Veröffentlichungsdatum: 2022-12-29 | Aktualisiert: 2023-06-06