Analog Devices Inc. LTM2881/2885 RS485/RS422-μModule-Transceiver
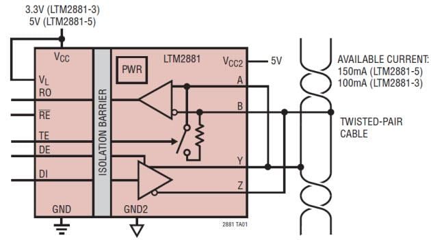
Linear Technology/Analog Devices LTM2881/LTM2885 RS485-/RS422-μModule®-Transceiver sind komplett galvanisch getrennte Vollduplex-RS485-/RS422-Mikromodul-Transceiver. Die Transceiver schützen vor großen Massepotentialdifferenzen und Gleichtakt-Transienten in RS485- und RS232-Netzwerken.Die gekoppelten Induktivitäten der LTM2881/LTM2885 und ein isolierender Leistungstransformator sorgen für Isolation von 2.500/6.500 VRMS zwischen dem Leitungs-Transceiver und der Logikschnittstelle. Ein integrierter DC/DC-Wandler mit niedrigem EMI versorgt beide Seiten der Schnittstelle. Der Wechselrichter bietet auch eine zusätzliche isolierte Ausgangsleistung bis zu 5 V.
Ohne externe Komponenten bieten die Transceiver eine komplette μModule-Lösung für isolierte serielle Datenkommunikationen. Die Bauteile erreichen Datenraten von bis zu 20 MBit/s oder 250 kbps im Modus mit begrenzter Anstiegsrate. Die Transmitter LTM2881 / LTM2885 garantieren eine ununterbrochene Kommunikation für Gleichtaktübergänge bis 50 kV/μs. Ein verbesserter ESD-Schutz ermöglicht den Transceivern, ± 15 kV ohne Verriegelung oder Beschädigung zu widerstehen. Die Transceiver eignen sich ideal für Systeme, bei denen die Erdungsschleife unterbrochen wird, so dass große Gleichtaktspannungsbereiche möglich sind.
Merkmale
- RS485-/RS422-Transceiver:
- 2.500 VRMS für 1 Minute (LTM2881)
- 6.500 VRMS für 1 Minute (LTM2885)
- UL-CSA-anerkannte Datei Nr. E151738 (LTM2881)
- CSA Komponentenannahmehinweis 5A (LTM2881)
- Isolierte Gleichstrom-Stromversorgung: 5 V bei U200mA
- Keine externen Bauteile erforderlich
- Datenraten bis 20 Mbps bzw. mit niedriger EMI 250 kbps
- Hohe elektronische Entladung: ±15 kV HBM auf Transceiver-Schnittstelle
- Hohe Immunität gegen Gleichtaktschwankungen:
- 30 kV/μs (LTM2881)
- 50 kV/μs (LTM2885)
- Integrierter wählbarer 120 Ω-Anschluss
- 3,3 V (LTM2881-3) oder 5,0 V (LTM2881-5) Betrieb
- 1,62 V bis 5,5 V Logik-Netzteile für flexible digitale Schnittstelle
- Maximale kontinuierliche Betriebsspannung:
- 560 VSPITZE (LTM2881)
- 690 VRMS (LTM2885)
- Hohe Eingangsimpedanz-Ausfallsicherung RS485-Empfänger
- Strombegrenzende Faktoren und thermische Abschaltung
- Kompatibel mit TIA/EIA-485-A und PROFIBUS
- Hoher Impedanzausgang bei internem Fehlerzustand
- Stromsparender Abschaltmodus (<10 µA)
- Isolierter Mehrzweck-CMOS-Kanal
Applikationen
- Isolierte RS485-/RS422-Schnittstelle
- Industrielle Netzwerke
- Unterbrechung von RS485-Masseschleifen
- Isolierte PROFIBUS-DP-Netzwerke
Weitere Ressourcen
LTM2881 Typische Applikation
LTM2885 Typische Applikation
