Analog Devices Inc. LTM2985 Digitales Temperaturmesssystem
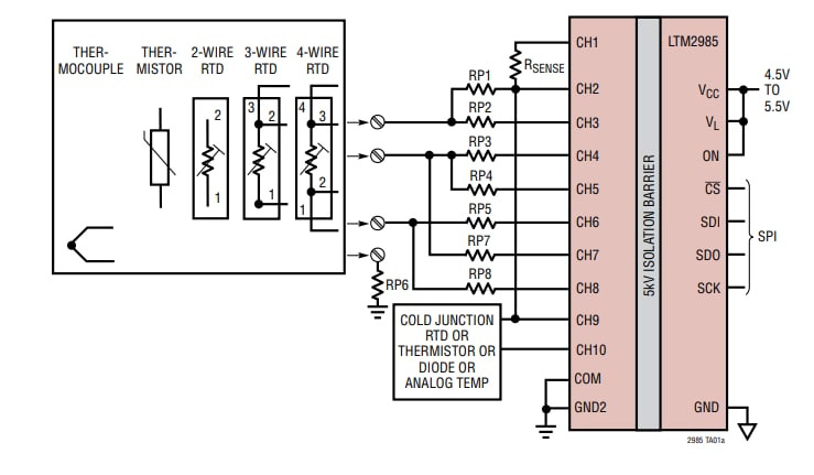
Das isolierte, hochgenaue digitale Temperaturmesssystem LTM2985 von Analog Devices Inc. misst eine Vielzahl von Temperatursensoren und gibt das Ergebnis digital in °C oder °F mit einer Genauigkeit von 0,1 °C und einer Auflösung von 0,001 °C aus. Das LTM2985 misst die Temperatur von praktisch allen Standardthermoelementen (Typ B, E, J, K, N, S, R, T) oder kundenspezifischen Thermoelementen. Das Gerät kompensiert automatisch Kaltstellentemperaturen und linearisiert die Ergebnisse. Zusätzlich misst das digitale Temperaturmesssystem LTM2985 die Temperatur mit standardmäßigen 2-, 3- oder 4-Leiter-RTDs, Thermistoren und Dioden.Der LTM2985 verfügt über Erregerstromquellen und Fehlererkennungsschaltungen, die für jeden Temperatursensortyp geeignet sind.
Der LTM2985 ist ein isoliertes 10-Kanal-Temperaturmesssystem, das softwarekompatibel zum LTC2986-1 ist. Er liefert eine isolierte 5kV-Stromversorgung und eine SPI-Schnittstelle für den Präzisions-Temperatur-Bit-Wandler. Der LTM2985 verfügt über ein benutzerprogrammierbares EEPROM für kundenspezifische Sensordaten.
Merkmale
- Isolierte Stromversorgung und SPI-Schnittstelle: 5000 Vrms
- Digitalisiert direkt 2-, 3- oder 4-Draht-RTDs, Thermoelemente, Thermistoren und Dioden
- 10 flexible Eingänge ermöglichen das Austauschen von Sensoren
- Automatische Thermoelement-Kaltstellenkompensation
- Integrierte Standardkoeffizienten und vom Benutzer programmierbare Koeffizienten für Thermoelemente, RTDs und Thermistoren
- Automatische Burn-out-, Kurzschluss- und Fehlererkennung
- Gepufferte Eingänge ermöglichen externen Schutz
- Simultane Unterdrückung von 50Hz/60Hz
- Einschließlich 15 ppm/°C (max.) Referenz
- Enthält spezielle Schutzmodi
- On-Chip EEPROM speichert Kanalkonfigurationsdaten und kundenspezifische Koeffizienten
Applikationen
- Direkte Thermoelement-Messungen
- Direkte RTD-Messungen
- Direkte Thermistor-Messungen
- Benutzerdefinierte Sensor-Applikationen
Weitere Ressourcen
Typische Applikation
Typischer Temperaturfehlerbeitrag
Veröffentlichungsdatum: 2022-01-13
| Aktualisiert: 2022-03-11
