Analog Devices Inc. LTM4654 Hybrid-Abwärtsbuswandler µModule®
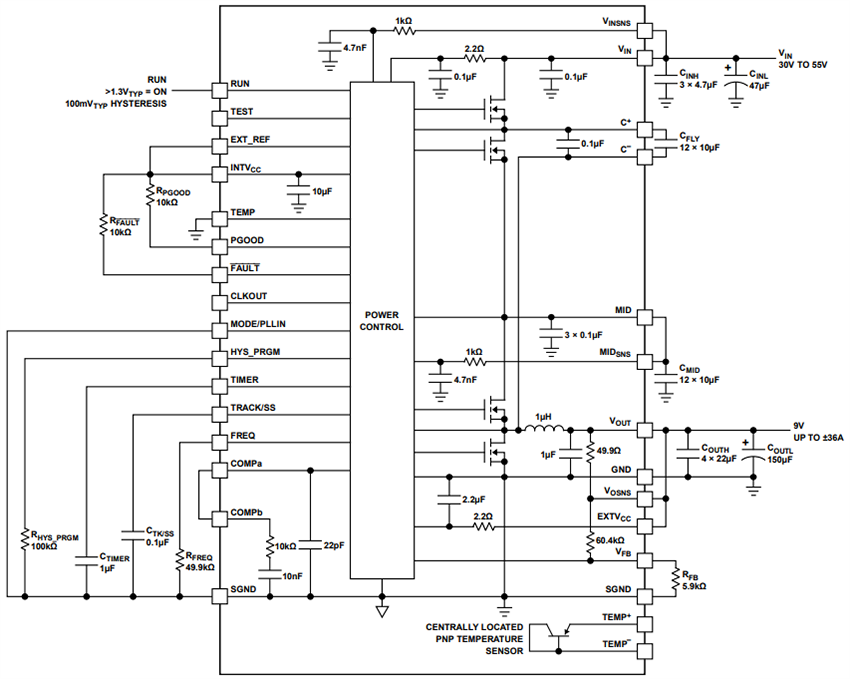
Die Hybrid-abwärts-µModule® -Bus-Wandler LTM4654 von Analog Devices sind komplette 300-W-DC-DC-µModule (Mikromodule)-Bus-Wandler mit Schaltbetrieb und Hybridtopologie für Buswandler mit Stromquelle/Stromsenke am Ausgang. Das Bauteil LTM4654 ist für die Bereitstellung eines Ausgangstroms von bis zu 25 A bei Eingangsspannungen von 20 V bis 55 V ausgelegt. Diese Wandler von Analog Devices sind in einem kompakten BGA-Gehäuse untergebracht und enthalten einen Schaltregler-IC, Leistungs-MOSFETs, Magnete und unterstützende Komponenten, wodurch das Leistungssystem-design erheblich vereinfacht und der Platzbedarf auf dem Board reduziert wird. Das Bauteil LTM4654 verfügt über ein festes Verhältnis von 5:1 zwischen Eingangsspannung und Ausgangsspannung, wodurch es hervorragend für die Umwandlung von Hochspannungs-Zwischenbusleitungen in niedrigere Spannungen in Telekommunikations-, Industrie- und Automobilanwendungen geeignet ist.Das Bauteil LTM4654 verfügt über einen bidirektionalen Betrieb, Frequenzsynchronisierung, Burst-Modus® -Betrieb, Ausgangsspannungs-Soft-Start und Tracking. Eine On-Board-Temperaturdiode ist für die Temperaturüberwachung verfügbar. Diese Wandler bieten eine ausgezeichnete thermische Leistungsfähigkeit, eine hohe Leistungsdichte und robuste Schutzfunktionen, einschließlich Überspannung, Überstrom und thermische Abschaltung. Der benutzerfreundliche, hochzuverlässige LTM4654 ist eine leistungsstarke Lösung für Entwickler, die eine kompakte und effiziente Leistungsumwandlung in anspruchsvollen Umgebungen benötigen.
Merkmale
- 20 V bis 55 V Eingangsspannungsbereich, 57 V absolutes Maximum
- Großer Ausgangsspannungsbereich von 4,5 V bis 18 V (VOUT <>IN/2)
- Wirkungsgrad von 96,7 % (9 V bei Ausgang von ±15 A, 48 VIN)
- ±3 % maximaler gesamter DC-Ausgangsfehler
- Bis zu 300 W Ausgangsleistung (Quelle/Senke)
- Skalierbar für Applikationen mit höherer Leistung
- Festfrequenz-Strommodussteuerung
- Phasenstarre externe Synchronisierung von 200 kHz bis 1 MHz
- Niedriger Einschaltstrom mit Spannungsausgleich von CFY und CMID vor der DC/DC-Schaltaktion
- Ausgangsspannungs-Tracking mit Soft-Start
- Kurzschluss-Sicherung mit einstellbarem Wiederholungs-Timer
- Überstrom- und Übertemperaturschutz
- Integrierte Diodentemperaturüberwachung
- Optionaler externer Referenzeingang
- Power-Good- und Fehlerausgangsanzeigen
- -40 °C bis +125 °C interner Betriebstemperaturbereich
- 120-lead, 16 mm × 16 mm × 8,96 mm, BGA-Gehäuse
- RoHS-konform
Applikationen
- Nicht-isolierte zwischengeschaltete Bus-Leistungsarchitekturen
- Telekommunikations-, Netzwerk- und Test-/Messgeräte
- Industrieapplikationen
Typische Applikation
Blockdiagramm
Veröffentlichungsdatum: 2025-05-23
| Aktualisiert: 2025-05-28
