Analog Devices Inc. MAX17616/A 7 A Strombegrenzer
Analog Devices Inc. MAX17616/A 7 A Strombegrenzer bieten äußerst vielseitige und programmierbare Schutzgrenzen für Systeme gegen Eingangsspannungsfehler und Ausgangsüberstromfehler. Eingangsspannungsfehler (mit positiver Polarität) werden bis zu +80 V (ohne Verpolungsschutz) und +75 V (mit Verpolungsschutz) durch einen internen nFET mit niedrigem ON-Widerstand geschützt (20 mΩ typisch). Die Geräte von Analog Devices Inc. MAX17616/A verfügen über programmierbare Schwellenwerte für die Unterspannungsabschaltung (UVLO) durch Verwendung externer Spannungsteiler. Der MAX17616 verfügt über eine programmierbare Überspannungsabschaltung (OVLO), während der MAX17616A über den OVFB-Pin eine programmierbare Ausgangsspannungsbegrenzungsfunktion bietet, die die Ausgangsspannung bei transienten Eingangsüberspannungen begrenzt. Eingangsunter- und -überspannungsschutz (MAX17616)/Ausgangsspannungsklemmfunktion (MAX17616A) kann über den gesamten Betriebsbereich 3 V bis 80 V programmiert werden.Merkmale
- Robuster Schutz reduziert Ausfallzeiten des Systems
- Großer Eingangsspannungsbereich +3 V bis +80 V (ohne Rückstromschutz)
- Großer Eingangsspannungsbereich +3 V bis +75 V (mit Rückstromschutz)
- ±3 % genaue programmierbare Strombegrenzung zwischen 3 A und 7 A über den gesamten Temperaturbereich
- ±4 % genaue programmierbare Strombegrenzung zwischen 2 A und 3 A über den gesamten Temperaturbereich
- ±7 % genaue programmierbare Strombegrenzung zwischen 0,7 A und 2 A über den gesamten Temperaturbereich
- Verpolungsschutz für die Eingangsspannung (mit externem nFET)
- Zweistufiger Rückstromschutz (mit externem nFET) mit schneller 100 ns Reaktionszeit
- Niedriger RON interner nFET (20 mΩ typisch)
- Verpolungstolerante Ausgangsspannung
- Verlust von Erdungsschutz
- 200 % Kurzzeitige Überlastbarkeit
- Programmierbarer Überspannungsschutz (MAX17616A)
- PmBus Schnittstelle
- Überwachung der Betriebsbedingungen in Echtzeit, Anzeige von Spannung und Strom
- Zugriff auf und Verwaltung von Fehlerregistern
- Gerät EIN/AUS-Steuerung
- Auswahl des Strombegrenzungsmodus
- Auswahl der Einschaltstrombegrenzung beim Start
- Kurzzeitige Überstrombegrenzung und Zeitauswahl
- Flexibles Design zur Maximierung der Wiederverwendung und Reduzierung der Neuqualifizierung
- Einstellbare UVLO- und OVLO/OVFB-Schwellenwerte
- ±2 % Genaue Bandbreiten-Stromüberwachung, IMON (3 A bis 7 A, bis zu +85 °C)
- Programmierbare Einschaltstrombegrenzung beim Start
- Programmierbare Strombegrenzung Fehlerreaktion: Kontinuierlich, Autoretry und Latch-Off-Modus
- Logikpegel Aktivierungseingang (EN)
- Geschützte externe N-Typ Feldeffekttransistor (nFET) Gate-Ansteuerung
- Ausgang für gute Stromversorgung (PGOOD)
- Programmierbare Ausgangsunterspannungserkennung (OUTUV)
- Überwachung der Sperrschichttemperatur (TJ)
- Strombegrenzung des thermischen Foldbacks
- Lösung mit kleinerem Footprint
- 4,5 mm x 5,75 mm, 23-poliges FCQFN-Gehäuse
- Integrierte nFET für allgemeine Schutzanforderungen
Applikationen
- Eingangsspannungs- und Ausgangsüberstromschutz: Der MAX17616/MAX17616A unterbricht den Laststrom und trennt den Ausgang vom Eingang bei Eingangsspannungsfehlern und Ausgangsüberstromfehlern.
- Schutz vor Erdschluss: Der MAX17616/MAX17616A unterbricht den Laststrom und trennt den Ausgang vom Eingang, wenn ein Erdschluss auftritt, z.B. wenn die Einfehlersicherung auf dem Erdungspfad auslöst.
- Überspannungsschutz: Der MAX17616A verfügt über eine Regelung zur Begrenzung der Ausgangsspannung bei transienten Überspannungen der Eingangsspannung, um die angeschlossenen Verbraucher vor kurzzeitigen Überspannungsereignissen zu schützen.
Vereinfachtes Anwendungsdiagramm
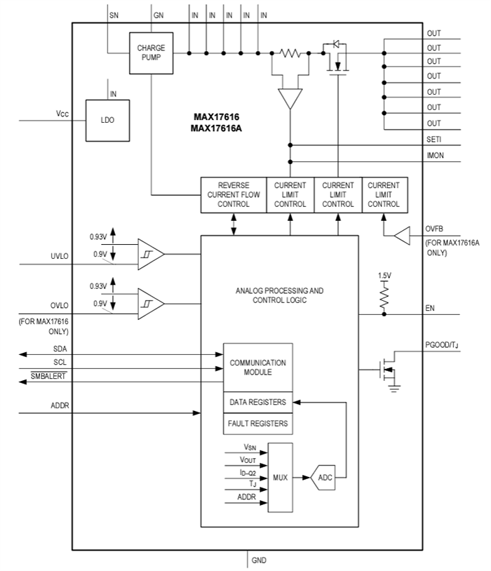
Funktionales Blockdiagramm
Veröffentlichungsdatum: 2024-12-12
| Aktualisiert: 2025-01-16
