Analog Devices / Maxim Integrated MAX1800x Evaluierungskits
Die MAX1800x Evaluierungskits von Analog Devices Inc. verfügen über vorinstallierte MAX18000AWT + (nanopower-version) oder MAX18002AWT + (Ultraschallvariante) Aufwärtswandler. Die vollständig bestückte und getestete Leiterplatte (PCB) wird mit einem Eingangsspannungsbereich von 1,8 V bis 5,5 V, einer Schaltstrombegrenzung von 3,6 A und einer zwischen 2,5 V und 5,5 V einstellbaren Ausgangsspannung betrieben. Diese Evaluierungsboards von Analog Devices Inc. verfügen über Testpunkte und Steckbrücken zum Testen des Funktionsumfangs des Bauteils. Sondenlöcher auf kritischen Knoten (OUT und LX) bieten präzise Messungen.Merkmale
- Vorinstalliert mit MAX18000AWT + oder MAX18002AWT +
- 1,8 V bis 5,5 V Eingangsspannungsbereich
- Testpunkte für INS, OUTS und GNDS
- Einstellbare Ausgangsspannung zwischen 2,5 V bis 5,5 V (in 100 mV-Schritten)
- Messsockel bei LX und OUT
- Vollständig bestückt und getestet
Erforderliche Ausrüstung
- Einstellbares DC-Netzteil
- 4 x Digitale Multimeter
- Elektronische Last
Bauelemente
- MAX18000WEVKIT # — verfügt über einen vorinstallierten MAX18000AWT + nanoPower-Aufwärtswandler mit einem 512nA Ruhestrom. Wird im Stromsparmodus bei niedrigen Lasten betrieben, um einen hohen Wirkungsgrad bei allen Lastbedingungen zu gewährleisten. Für diese version, VOUT — VIN 0,2 V (immer im Aufwärtsmodus).
- MAX18002WEVKIT # — Vorinstalliert mit einem MAX18002AWT + Ultraschall-Aufwärtswandler, der bei niedrigen Lasten im Ultraschallmodus (FSW > 22 kHz) betrieben wird, um von akustischen hörbaren Rauschstörungen fernzuhalten.
Typische Applikations-Schaltung
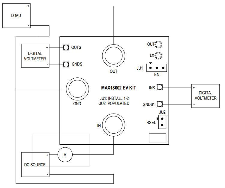
Verbindung Blockdiagramm
Veröffentlichungsdatum: 2023-06-21
| Aktualisiert: 2023-07-07
