Analog Devices Inc. MAX20366-PMIC
Der Analog Devices MAX20366 PMIC ist für Größe und Wirkungsgrad optimiert, indem die Batterielaufzeit verlängert und die umfassende Lösungsgröße reduziert wird. Die hochintegrierte und programmierbare Energiemanagementlösung wurde für Wearables mit extrem geringem Stromverbrauch entwickelt.Der MAX20366 von ADI kombiniert einen flexiblen Satz leistungsoptimierter Spannungsregler, einschließlich mehrerer Abwärts-, Aufwärts-, Abwärts-/Aufwärtswandler und Linearregler. Diese Kombination bietet ein hohes Maß an Integration und ermöglicht die Erstellung einer vollständig optimierten Leistungsarchitektur. Der extrem niedrige Ruhestrom jedes Reglers verlängert die Batterielaufzeit in Always-on-Applikationen.
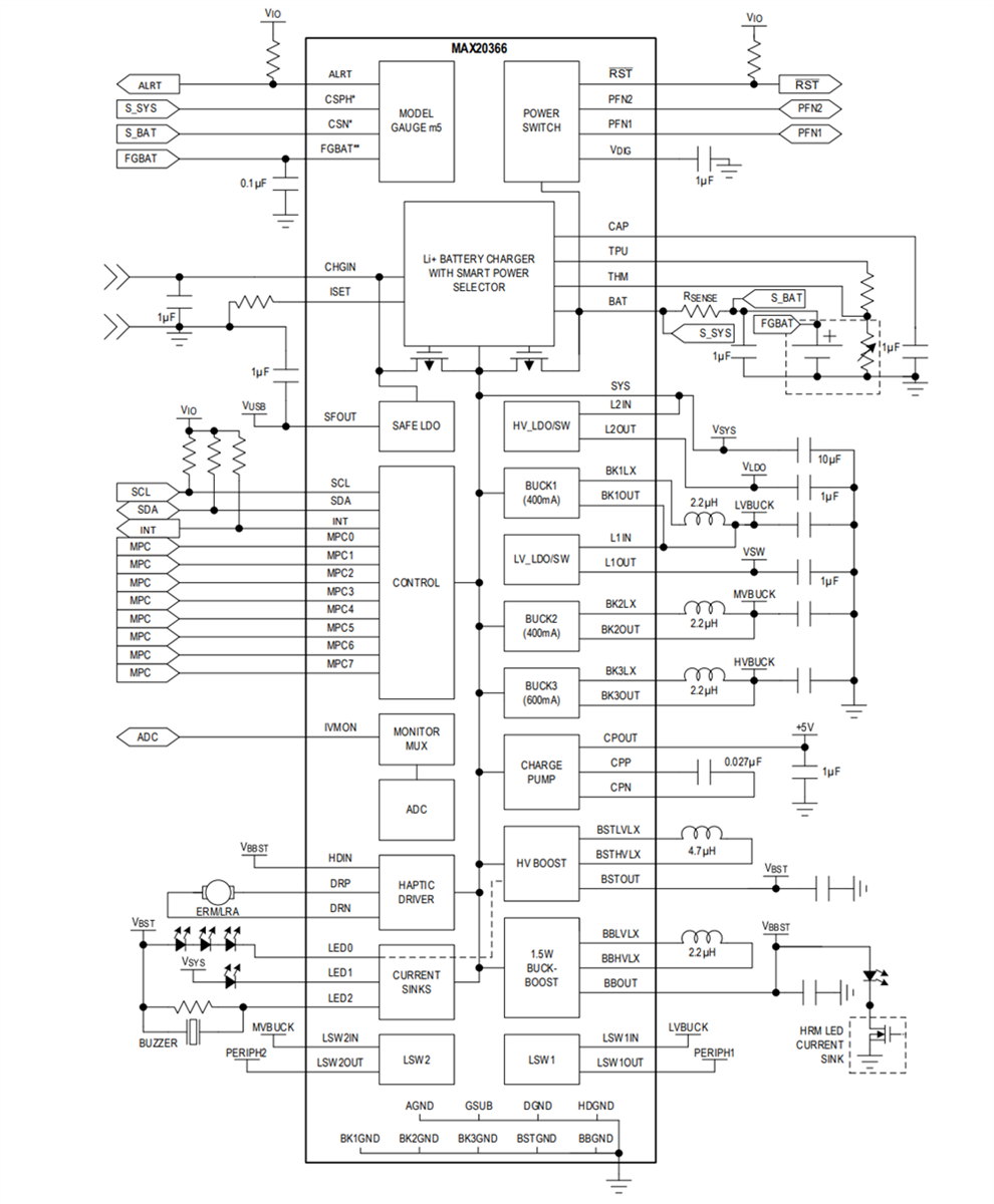
Der MAX20366 enthält eine vollständige Batteriemanagementlösung mit einer Batteriedichtung, einem Ladegerät, einem Leistungspfad und einer Batteriestandsanzeige. Das Ladegerät verfügt über ein eingebautes Wärmemanagement und einen Eingangsschutz. Darüber hinaus enthält das Bauteil einen werksseitig programmierbaren Tastencontroller mit mehreren anpassbaren Eingängen, um spezifische Produkt-UX-Anforderungen zu erfüllen.
Drei integrierte LED-Stromsenken sind für Anzeige- oder Hintergrundbeleuchtungsfunktionen enthalten und ein ERM/LRA-Treiber mit automatischer Resonanzverfolgung kann dem Benutzer ein raffiniertes haptisches Feedback bieten. Ein rauscharmer 1,5 W Abwärts-/Aufwärtswandler bietet eine saubere Möglichkeit zur Stromversorgung von LEDs, die häufig in optischen Herzfrequenzsystemen verwendet werden. Der MAX20366 von ADI ist über eine I2C-Schnittstelle konfigurierbar, die die Programmierung verschiedener Funktionen und das Lesen des Bauteilstatus ermöglicht, einschließlich der Fähigkeit, Temperatur und Versorgungsspannungen mit dem integrierten ADC zu lesen.
Das Bauteil ist in einem 72-bump 4,88 mm-wafer-level-Gehäuse (WLP) mit 0,5 mm Rastermaß, x 4,19 mm untergebracht und arbeitet in einem erweiterten Temperaturbereich von -40 °C bis +85 °C.
Merkmale
- Verlängert die Batterielaufzeit zwischen Batterieladungen
- 2 Mikro-IQ, 400 mA Abwärtsregler (jeweils 330 nA IQ typisch)
- 0.550 V bis 1.180 V in 10 mV-Schritten
- 0,550 V bis 2,125 V in Stufen von 25 mV
- 0.550 V bis 3.700 V in 50 mV-Schritten
- Mikro-IQ, 600 mA Abwärtsregler (330 nA IQ typisch)
- 0.550 V bis 1.180 V in 10 mV-Schritten
- 0,550 V bis 2,125 V in Stufen von 25 mV
- 0.550 V bis 3.700 V in 50 mV-Schritten
- Mikro-IQ LV LDO/Lastschalter (1 µA IQ typisch)
- 1.0 V bis 2.0 V Eingangsspannung
- Ausgang: 50 mA
- 0,5 V bis 1,95 V Ausgang, 25 mV Schritte
- Mikro-IQ LDO/Lastschalter (1 µA IQ typisch)
- 1,71 V bis 5,5 V Eingangsspannung
- Ausgang: 100 mA
- 0,9 V bis 4 V, 100 mV Schritte
- Mikro-IQ Abwärts-/Aufwärtswandler (2 µA IQ typisch)
- 1,5 W-Ausgang
- 2,6 V bis 5 V in Stufen von 50 mV
- 2 Mikro-IQ, 400 mA Abwärtsregler (jeweils 330 nA IQ typisch)
- Einfach zu implementierende Li + -Batterieladung
- Großer Schnellladestrombereich von 5 mA bis 500 mA
- 28V/-5.5V toleranter Eingang
- Programmierbare JEITA-Strom-/Spannungsprofile
- Reduziert den Footprint der Lösung durch hohe Integration
- 3,3 V oder 5,0 V LDO mit sicherem Ausgang
- 15 mA wenn CHGIN vorhanden ist
- ERM/LRA haptischer Treiber
- Automatische Bremsung (nur LRA)
- Automatisches Resonanz-Tracking (nur LRA)
- 3,3 V oder 5,0 V LDO mit sicherem Ausgang
- Unterstützt eine große Auswahl von Display-Optionen
- Mikro-IQ Aufwärtsregler (2,4 µA IQ typisch)
- Ausgang: 300 mW
- 5 V bis 20 V in Stufen von 250 mV
- 3-Kanal-Stromsenken
- 20-V-tolerant
- Programmierbar von 0,6 mA bis 30 mA
- Optimierung der Systemsteuerung
- Programmierbarer Drucktasten-Controller
- Programmierbare Versorgungssequenzierung
- Werkseinstellungsmodus
- On-Chip-Spannungs-/Ladestromüberwachungs-Mux und Analog-Digital-Wandler (ADC)
- Mikro-IQ Aufwärtsregler (2,4 µA IQ typisch)
Applikationen
- Wearables
- IoT
Vereinfachtes Blockdiagramm
