Analog Devices Inc. MAX25169 6-Kanal LED-Hintergrundbeleuchtungstreiber
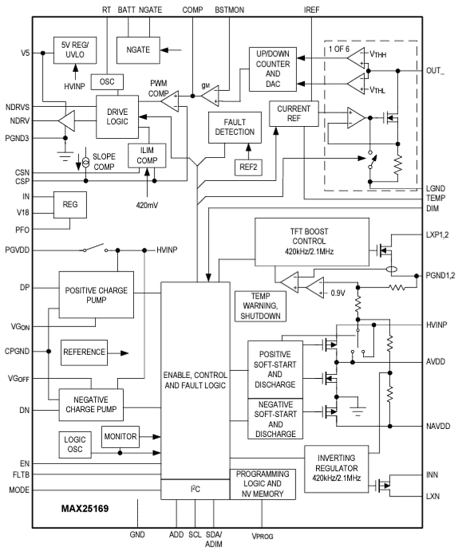
Der Analog Devices Inc. MAX25169 ist ein 6-Kanal LED-Hintergrundbeleuchtungstreiber. Es ist ein LED-Hintergrundbeleuchtungstreiber-IC und eine hochintegrierte TFT-Stromversorgung für automotive TFT-LCD-Anwendungen. Dieser IC integriert einen Aufwärtsregler, zwei Gate-Treiber-Versorgungen, einen invertierenden Buck-Boost-Umrichter und einen Boost/SEPIC-Controller, der 1 bis 6 Ketten von LEDs in der Display-Hintergrundbeleuchtung mit Strom versorgen kann.Die Quellentreiber-Netzteile bestehen aus einem Aufwärtswandler, der im unipolaren Modus bis zu +18 V liefern kann. Es enthält einen invertierenden Auf-/Abwärtswandler, der eine Spannung bis hinunter zu -10,5 V erzeugen kann. Der AVDD-Ausgang kann bis zu 300 mA bei 13,5 V liefern, während der NAVDD bis zu 200 mA liefern kann. Die positive Source-Treiber-Versorgungsregelspannung (VAVDD) wird über I2C oder den internen NV-Speicher eingestellt. Die negative Versorgungsspannung des Source-Treibers (VNAVDD) ist immer eng an –VAVDD reguliert. Die Versorgungsspannungen arbeiten mit einer Eingangsspannung zwischen 2,65 V und 5,5 V.
Die Gate-Treiber-Stromversorgungen bestehen aus geregelten Ladepumpen, die bis zu +31,5 V und bis zu –18 V erzeugen und jeweils bis zu 15 mA liefern können. Der IC verfügt über einen 6-Kanal-LED-Treiber mit Eingangs-Schaltstelltasten-Steuerung (NGATE), der bis zu 6 Ketten von LEDs mit maximal 150 mA Strom pro Kette versorgen kann. Der MAX25169 von Analog Devices Inc. ist in einem 7 mm x 7 mm großen TQFN-Gehäuse mit 48 Polen und einem freiliegenden Pad erhältlich. Er wird über einen Umgebungstemperaturbereich von -40 °C bis +125 °C betrieben.
Merkmale
- 4-output TFT-LCD Bias Power
- 2,65 V- bis 5,5 V-Eingang für den TFT-LCD-Bereich
- Integrierte 420 kHz oder 2,1 MHz Aufwärts- und Abwärtswandler
- Positive und negative 15 mA Gate-Spannungsregler mit einstellbarer Ausgangsspannung (Dreifach-/Invertierungsverdoppler)
- Flexible Sequenzierung
- Unterspannungserkennung an allen Ausgängen
- Standby-Betrieb mit niedrigem Ruhestrom
- 6-Kanal, 36 V LED-Hintergrundbeleuchtungstreiber
- NGATE-Steuerung für externen nMOSFET-Serienschalter
- Programmierbarer nMOSFET-Stromgrenzwert
- Bis zu 150 mA Strom pro Kanal
- 4,5 V bis 36 V Eingangsspannungsbereich, 3 V Betrieb nach dem Einschalten
- Integrierter Boost/SEPIC-Controller (400 kHz bis 2,2 MHz mit Synchronisation)
- Dimmverhältnis 16.667:1 bei 200 Hz
- Adaptive Spannungsoptimierung zur Reduzierung der Leistungsdissipation in LED-Stromsensoren
- Diagnose von offenen Leitungen, kurzgeschlossenen LEDs und Kurzschluss gegen Masse
- Niedrige EMI
- Phasenverschiebungsdimmen von LED-Ketten
- Spreizspektrum auf LED-Treiber und TFT-Ausgängen
- Wählbare Schaltfrequenz
- I2C-Schnittstelle für Steuerung und Diagnose
- Fehleranzeige über den FLTB-Pin und I2C
- Nichtflüchtiger Konfigurationsspeicher
- Überlast- und Überhitzungsschutz
- ASIL-B-konform
- Betrieb bei –40 °C bis +125 °C Umgebungstemperatur
- 7 mm x 7 mm, 48-poliges TQFN-Gehäuse mit offenem Pad
- AEC-Q100 der Klasse 1
Applikationen
- Armaturenbretter für Kraftfahrzeuge
- Zentrale Informationsanzeigen für Kraftfahrzeuge
- Head-up-Displays für Fahrzeuge
Videos
Vereinfachtes Blockdiagramm
