Analog Devices / Maxim Integrated MAX77789 Integrierter Ladegerät-Schaltkreis (IC) von 3,15 A
Der Analog Devices / Maxim Integrated MAX77789 integrierte Ladegerät-Schaltkreis (IC) von 3,15 A bietet eine integrierte USB Type-C®-CC-Erkennung und eine Reverse-Boost-Funktion. Der MAX77789 wird in einem Temperaturbereich von -40 °C bis +85 °C und einem Eingangsspannungsbereich von 4,6 V bis 13,4 V mit einer maximalen Eingangsstrombegrenzung von 3 A betrieben. Der IC implementiert die adaptive Eingangsstrombegrenzungsfunktion (AICL) (regelt die Eingangsspannung durch Reduzierung des Eingangsstroms), um zu verhindern, dass die Spannung eines schwachen Adapters zusammenbricht oder eingezogen wird.Die USB Type-C™-Konfigurationskanal(CC)-Erkennungspins auf dem IC werden standardmäßig im DRP (Dual Role Port) betrieben und sind zu automatischen USB Type-C-Stromquellenerkennungs- und Senken-Bauteilen fähig. Zur Unterstützung einer großen Auswahl von älteren USBs sowie proprietären Adaptern integriert das Bauteil auch die BC1.2-Erkennung mit den Pins D+ und D-. Der IC betreibt automatisch den CC-Pin und die BC1.2-Erkennung, wenn der USB-Stecker ohne Software-Steuerung eingesetzt wird.
Der IC bietet eine Reverse-Boost-Funktion von bis zu 5,1 V, 1,5 A, die auf automatische Art oder dem vom System-MCU eingestellten Register aktiviert werden kann. Der STAT1-Pin zeigt den Ladestatus an, während der INOKB-Pin eine gültige Eingangsspannung anzeigt. Der EXTSM-Pin kann verwendet werden, um den Transportmodus zu verlassen und das System zum Reset (POR) zu zwingen, und der STAT2-Pin zeigt die Fehlererkennung und die Ladegeräterkennung durch die Registerbit-Auswahl an.
Der IC ist mit einem Smart Power Select™ und einem Batterie-True-Disconnect-FET ausgestattet, um das Laden/Entladen der Batterie zu steuern oder die Batterie im Fehlerfall zu isolieren. Der IC unterstützt Li-Ion- und LiFePO4-Batterien mit verschiedenen Anschlussspannungen von 3,6 V bis 4,55 V. Der MAX77789 von Analog Devices / Maxim wird in einem 6x6-Wafer-Level-Gehäuse (WLP) von 2,85 mm x 2,85 mm und einem Rastermaß von 0,4 mm geliefert, wodurch er sich für eine kostengünstige PCB-Montage eignet.
Merkmale
- Schutz von bis zu 16 V
- 13,4 V maximale Eingangsspannung
- 3,15 A maximaler Ladestrom
- Entladestromschutz: 6 A
- Integrierte CC-Erkennung für USB Type-C
- Unterstützt Dual Role Port (DRP)
- Manuelle DP-/DN-Steuerung für den HVDCP
- Integrierte BC1.2-Erkennung für Legacy-SDP-, DCP-, CDP- und DCD-Timeout
- Integrierte USB-Erkennung für gängige proprietäre Ladegerättypen
- Automatische Konfiguration der Eingangsstrombegrenzung
- Eingangsspannungsregelung mit adaptiver Eingangsstrombegrenzung (AICL)
- OTG-Modus und BYP-Reverse-Boost: 5,1 V/1,5 A
- Betriebstemperaturbereich: -40 °C bis +85 °C
- Integrierter Leistungspfad
- Sicherheit
- Ladesicherheitstimer
- JEITA-konform mit NTC-Thermistor-Wächter
- Thermische Abschaltung
- Pin-Steuerung aller Funktionen
- STAT1-Pin zur Anzeige des Ladestatus
- STAT2-Pin zur Anzeige von Fehler- und Ladegerättyp-Erkennung abgeschlossen
- INOKB-Pin zur Anzeige des Eingangs-Power-OK
- EXTSM-Pin zum Verlassen des Transportmodus und des System-POR
- STBY-Pin zur Unterstützung des Suspend-Modus
- THM-Pin zur Überwachung des Thermistors
- Integrierter Batterie-True-Disconnect-FET
- I2C-kompatibel mit INTB
- 2,85 mm2, 6x6 WLP-Gehäuse
Applikationen
- Mobile Kassenterminals (mPOS)
- Tragbare medizinische Geräte
- Drahtlose Kopfhörer
- GPS-Tracker
- Ladeschalen für Wearables
- Ladegeräte
- Mobile Router
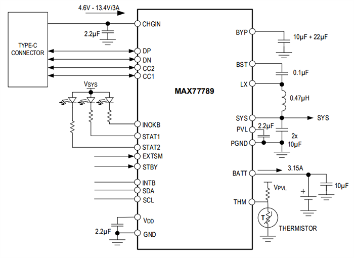
Vereinfachtes Blockdiagramm
Funktionsdiagramm
