Analog Devices / Maxim Integrated MAX96793 CSI-2-zu-GMSL3/2-Serialisierer
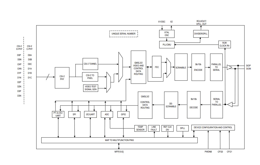
Analog Devices/Maxim Integrated MAX96793 CSI-2- zu GMSL3/2-Serialisierer empfangen Video auf einer MIPI CSI-2-Schnittstelle und geben es auf einem seriellen GMSL2- oder GMSL3-Link-Transceiver aus. Diese Serialisierer senden und empfangen bidirektionale Steuerkanaldaten über dieselbe GMSL-Verbindung. GMSL2/GMSL3-Daten können über Koaxial- oder STP-Kabel übertragen werden. Die GMSL2-Verbindungen arbeiten mit einer festen Geschwindigkeit von 3 Gbps oder 6 Gbps in Vorwärtsrichtung und 187,5 Mbps in Rückwärtsrichtung. Im Vergleich dazu arbeiten die GMSL3-Verbindungen mit einer festen Geschwindigkeit von 12 Gbps in Vorwärtsrichtung. Die MAX96793 Serialisierer werden über eine lokale I2C/UART-Schnittstelle oder über die Verbindung von passenden Entserialisierern programmiert. Diese Serialisierer verfügen über zwei I2C/UART-Durchleitungskanäle, flexible GPIO-Schnittstellen, einen SPI-Tunnel, einen eingebauten ADC, einen Temperatursensor und eine Reihe von Diagnosefunktionen für die funktionale Sicherheit.Die MAX96793-Serialisierer sind nach AEC-Q100 Klasse 2 zertifiziert und arbeiten im Temperaturbereich von -40 °C bis 105 °C. Typische Applikationen umfassen ADAS, die 8-MP-Kameras mit 60 Bildern pro Sekunde (FVC) und die Weiterleitung von aggregierten Kameradaten sowie Systeme mit mehreren synchronisierten Kameras.
Merkmale
- Hochgeschwindigkeitsverbindung nach Fahrzeugstandard:
- Maximale Einfügungsdämpfung von -18 dB bei 3 GHz (12 Gbps)
- Maximale Einfügungsdämpfung von -21.0 dB bei 3 GHz (6 Gbps)
- Maximale Einfügungsdämpfung von -19,5 dB bei 1,5 GHz (3 Gbps)
- Automatische Anpassung an Änderungen der Kanalbedingungen
- Funktioniert im Umgebungstemperaturbereich von -40 °C bis 105 °C
- MIPI CSI-2 v1.3 Anschluss:
- MIPI D-PHY v1.2 bewertet mit 2,5 Gbps/Leitung (bis zu 4 Leitungen)
- MIPI C-PHY v1.0 bewertet mit 3,42 Gbps/Leitung (bis zu 2 Leitungen)
- Umkehrung der Polarität und Neuzuweisung der Datenspur
- Unterstützt 16 virtuelle Kanäle
- Ein GMSL3-Ausgang:
- 12 Gbps GMSL3-Vorwärtsverbindungsrate
- GMSL2 abwärtskompatibel 6 Gbps/3 Gbps Verbindungsraten
- 187,5 Mbps Rückwärtsverbindungsrate
- Bidirektionaler Steuerkanal unterstützt:
- 11 konfigurierbare GPIO
- 1 I2C/UART-Anschluss bis zu 1 MHz
- 2 Durchgangsanschlüsse:
- Bis zu 2 M Baud als UART
- Bis zu 1 Mb/s als I2C
- 1x SPI-Anschluss bis zu 25 MHz
- Reduzierte BOM und Platzeinsparungen:
- Kleines 5x5 mm TQFN
- RoR für quarzfreien Betrieb auf Serialisierern
- On-Board-Temperaturüberwachung mit einer Genauigkeit von ±2,5 °C
- Sicherheit:
- ASIL-B-konform
- ASIL-D-konform
Applikationen
- Fortschrittliche Fahrerassistenzsysteme (ADAS):
- 8-MP-Frontkamerasystem (FVC) mit 60 Bildern pro Sekunde
- Weiterleitung von aggregierten Kameradaten
- Systeme mit mehreren synchronisierten Kameras
Blockdiagramm
Vereinfachte Applikations-Schaltung
Veröffentlichungsdatum: 2025-12-04
| Aktualisiert: 2025-12-23
